本文主要是介绍BDO脱离子系统,希望对大家解决编程问题提供一定的参考价值,需要的开发者们随着小编来一起学习吧!
在高压环境中,1,4-丁炔二醇(BYD)和氢气在雷尼镍催化剂的作用下反应生成1,4-丁二醇(BDO)产品。如果在生产工艺中只对1,4-丁炔二醇作精馏提纯,不作脱离子净化处理,将会致使1,4-丁炔二醇物料中含有大量铜离子、二氧化硅等杂质,并随工艺带到高压加氢系统中。
物料中的杂质会导致加氢反应过程中雷尼镍催化剂覆盖性中毒,活性、选择性降低、使用寿命缩短,1,4-丁二醇产品产量得不到有效提高,从而影响装置产能的发挥。因此,在1,4-丁炔二醇提纯净化的过程中必须有效去除高压加氢原料BYD中的杂质,才能充分发挥装置产能,实现“安、稳、长、满、优”运行。
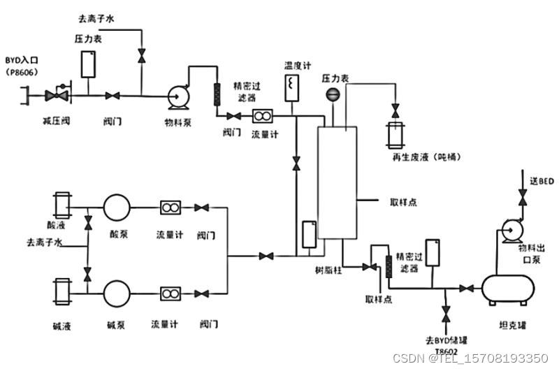
科海思作为国内树脂解决方案供应商,积极借鉴国内外先进的离子交换和水处理净化技术,经过不断研究试验,建成了一套能够满足工艺要求的CH-90Na离子交换树脂BYD净化装置,充分发挥整套装置的生产能力。
技术众多,为何首选离子交换技术?
1,4-丁炔二醇提纯净化技术,概括起来主要有精馏法、吸附及离子交换树脂法、膜分离技术、超临界萃取和重结晶技术等。相较而言,由于离子交换树脂法具有工艺简单、生产条件温和、成本低等优点,常应用于水处理、食品工业、制药行业和化工生产过程中的物料净化环节。
这篇关于BDO脱离子系统的文章就介绍到这儿,希望我们推荐的文章对编程师们有所帮助!