本文主要是介绍S5PV210开发1.0.6------时钟系统,希望对大家解决编程问题提供一定的参考价值,需要的开发者们随着小编来一起学习吧!
目录
1 .Soc时钟系统简介
2 .S5PV210的时钟系统简介 + 时钟域详解
3 .框图详解
4 .关键性寄存器
5. PLL设置方法
6.汇编代码演示
7.C代码演示
1. Soc时钟系统简介
1.什么是时钟?
同步工作系统的同步节拍
Soc内不同器件的时钟不一样
2.时钟的来源分类
外部直接输入时钟信号,SoC有个引脚用来输入外部时钟信号,用的很少。
外部晶振+内部时钟发生器产生时钟,大部分低频单片机都是这么工作的。
外部晶振+内部时钟发生器+内部PLL倍频+内部div分频器分频各种时钟
S5PV210时钟域
1.什么是时钟域
时钟按频率划分成3种:
MSYS: CPU(Cortex-A8内核)、DRAM控制器(DMC0和DMC1)、IRAM&IROM······
DSYS: 视频编解码有关
PSYS:内部外设:串口、SD接口、I2C、AC97、USB等
每个时钟域里包含的时钟类型:

ARMCLK:主频
HCLK_XXX:高频时钟
PCLK_XXX:低频时钟
各时钟典型值:

总结:AMBA总线与外设时钟连接,AMBA总线有AHB和APB两种,AHB里连接着HCLK_XXX(三种域的时钟)。
如:串口UART挂在PSYS域下的APB总线上,因此串口的时钟来源是PCLK_PSYS。
2.时钟来源
外部晶振+内部时钟发生器+内部PLL倍频+内部div分频器分频各种时钟
3.PLL说明
PLL是倍频电路的总称,分4种PLL,分别为APLL、MPLL、EPLL、VPLL
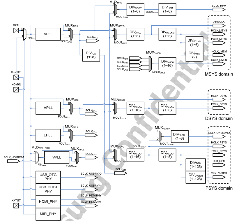
3. 框图详解


1.MUX开关
作用:选择时钟来源
设置方式:寄存器clock source x

2.DIV分频器
功能:将倍频之后的高频时钟根据需求分成不同频率的时钟
设置方式:寄存器CLK_DIVX

4 .关键性寄存器
xPLL_LOCK:主要控制PLL锁定周期的。
/xPLL_CON0/xPLL_CON1:主要用来打开/关闭PLL电路,设置PLL的倍频参数,查看PLL锁定状态等
CLK_SRCn(n:0~6):设置时钟来源的,对应时钟框图中的MUX开关。
CLK_DIVn:各模块的分频器参数配置
CLK_SRC_MASKn:决定MUX开关n选1后是否能继续通过(默认通过)
CLK_GATE_x:类似于CLK_SRC_MASK,对时钟进行开关控制
CLK_DIV_STATn:状态寄存器,是否正在分频
CLK_MUX_STATn:状态寄存器,是否正在选择
PLL(xPLL_CON)+ MUX (CLK_SRCn) + DIV(CLK_DIV)

5.设置PLL的方法:设置M P S

#define APLL_MDIV 0x7d // 125
#define APLL_PDIV 0x3
#define APLL_SDIV 0x1//MPS控制频率的公式:
//FOUT = MDIV*FIN/(PDIV*2^(SDIV-1))=0x7d*24/(0x3*2^(1-1))=1000 MHz
#define set_pll(mdiv, pdiv, sdiv) (1<<31 | mdiv<<16 | pdiv<<8 | sdiv)
#define APLL_VAL set_pll(APLL_MDIV,APLL_PDIV,APLL_SDIV)ldr r1, =APLL_VAL
str r1, [r0, #APLL_CON0_OFFSET]
6.汇编代码演示
start.s
#define WTCON 0xE2700000
#define SVC_STACK 0xd0037d80.global _start
_start:// 第1步:关看门狗(向WTCON的bit5写入0即可)ldr r0, =WTCONldr r1, =0x0str r1, [r0]// 第2步:初始化时钟bl clock_init// 第3步:设置SVC栈ldr sp, =SVC_STACK// 第4步:开/关icachemrc p15,0,r0,c1,c0,0; // 读出cp15的c1到r0中//bic r0, r0, #(1<<12) // bit12 置0 关icacheorr r0, r0, #(1<<12) // bit12 置1 开icachemcr p15,0,r0,c1,c0,0;// 从这里之后就可以开始调用C程序了bl led_blink // led_blink是C语言实现的一个函数// 汇编最后的这个死循环不能丢b .
clock.S
// 时钟控制器基地址
#define ELFIN_CLOCK_POWER_BASE 0xE0100000 // 时钟相关的寄存器相对时钟控制器基地址的偏移值
#define APLL_LOCK_OFFSET 0x00
#define MPLL_LOCK_OFFSET 0x08#define APLL_CON0_OFFSET 0x100
#define APLL_CON1_OFFSET 0x104
#define MPLL_CON_OFFSET 0x108#define CLK_SRC0_OFFSET 0x200
#define CLK_SRC1_OFFSET 0x204
#define CLK_SRC2_OFFSET 0x208
#define CLK_SRC3_OFFSET 0x20c
#define CLK_SRC4_OFFSET 0x210
#define CLK_SRC5_OFFSET 0x214
#define CLK_SRC6_OFFSET 0x218
#define CLK_SRC_MASK0_OFFSET 0x280
#define CLK_SRC_MASK1_OFFSET 0x284#define CLK_DIV0_OFFSET 0x300
#define CLK_DIV1_OFFSET 0x304
#define CLK_DIV2_OFFSET 0x308
#define CLK_DIV3_OFFSET 0x30c
#define CLK_DIV4_OFFSET 0x310
#define CLK_DIV5_OFFSET 0x314
#define CLK_DIV6_OFFSET 0x318
#define CLK_DIV7_OFFSET 0x31c#define CLK_DIV0_MASK 0x7fffffff// 这些M、P、S的配置值都是查数据手册中典型时钟配置值的推荐配置得来的。
// 这些配置值是三星推荐的,因此工作最稳定。如果是自己随便瞎拼凑出来的那就要
// 经过严格测试,才能保证一定对。
#define APLL_MDIV 0x7d // 125
#define APLL_PDIV 0x3
#define APLL_SDIV 0x1#define MPLL_MDIV 0x29b // 667
#define MPLL_PDIV 0xc
#define MPLL_SDIV 0x1#define set_pll(mdiv, pdiv, sdiv) (1<<31 | mdiv<<16 | pdiv<<8 | sdiv)
#define APLL_VAL set_pll(APLL_MDIV,APLL_PDIV,APLL_SDIV)
#define MPLL_VAL set_pll(MPLL_MDIV,MPLL_PDIV,MPLL_SDIV).global clock_init
clock_init:ldr r0, =ELFIN_CLOCK_POWER_BASE// 1 设置各种时钟开关,暂时不使用PLLldr r1, =0x0// 芯片手册P378 寄存器CLK_SRC:Select clock source 0 (Main)str r1, [r0, #CLK_SRC0_OFFSET] // 2 设置锁定时间,使用默认值即可// 设置PLL后,时钟从Fin提升到目标频率时,需要一定的时间,即锁定时间ldr r1, =0x0000FFFF str r1, [r0, #APLL_LOCK_OFFSET] str r1, [r0, #MPLL_LOCK_OFFSET] // 3 设置分频// 清bit[0~31]ldr r1, [r0, #CLK_DIV0_OFFSET] ldr r2, =CLK_DIV0_MASK bic r1, r1, r2ldr r2, =0x14131440 orr r1, r1, r2str r1, [r0, #CLK_DIV0_OFFSET]// 4 设置PLL// FOUT = MDIV*FIN/(PDIV*2^(SDIV-1))=0x7d*24/(0x3*2^(1-1))=1000 MHzldr r1, =APLL_VAL str r1, [r0, #APLL_CON0_OFFSET]// FOUT = MDIV*FIN/(PDIV*2^SDIV)=0x29b*24/(0xc*2^1)= 667 MHzldr r1, =MPLL_VAL str r1, [r0, #MPLL_CON_OFFSET]// 5 设置各种时钟开关,使用PLLldr r1, [r0, #CLK_SRC0_OFFSET]ldr r2, =0x10001111orr r1, r1, r2str r1, [r0, #CLK_SRC0_OFFSET]mov pc, lr
7.C代码演示
clock.c
// 时钟控制器基地址
#define ELFIN_CLOCK_POWER_BASE 0xE0100000 // 时钟相关的寄存器相对时钟控制器基地址的偏移值
#define APLL_LOCK_OFFSET 0x00
#define MPLL_LOCK_OFFSET 0x08#define APLL_CON0_OFFSET 0x100
#define APLL_CON1_OFFSET 0x104
#define MPLL_CON_OFFSET 0x108#define CLK_SRC0_OFFSET 0x200
#define CLK_SRC1_OFFSET 0x204
#define CLK_SRC2_OFFSET 0x208
#define CLK_SRC3_OFFSET 0x20c
#define CLK_SRC4_OFFSET 0x210
#define CLK_SRC5_OFFSET 0x214
#define CLK_SRC6_OFFSET 0x218
#define CLK_SRC_MASK0_OFFSET 0x280
#define CLK_SRC_MASK1_OFFSET 0x284#define CLK_DIV0_OFFSET 0x300
#define CLK_DIV1_OFFSET 0x304
#define CLK_DIV2_OFFSET 0x308
#define CLK_DIV3_OFFSET 0x30c
#define CLK_DIV4_OFFSET 0x310
#define CLK_DIV5_OFFSET 0x314
#define CLK_DIV6_OFFSET 0x318
#define CLK_DIV7_OFFSET 0x31c#define CLK_DIV0_MASK 0x7fffffff// 这些M、P、S的配置值都是查数据手册中典型时钟配置值的推荐配置得来的。
// 这些配置值是三星推荐的,因此工作最稳定。如果是自己随便瞎拼凑出来的那就要
// 经过严格测试,才能保证一定对。
#define APLL_MDIV 0x7d // 125
#define APLL_PDIV 0x3
#define APLL_SDIV 0x1#define MPLL_MDIV 0x29b // 667
#define MPLL_PDIV 0xc
#define MPLL_SDIV 0x1#define set_pll(mdiv, pdiv, sdiv) (1<<31 | mdiv<<16 | pdiv<<8 | sdiv)
#define APLL_VAL set_pll(APLL_MDIV,APLL_PDIV,APLL_SDIV)
#define MPLL_VAL set_pll(MPLL_MDIV,MPLL_PDIV,MPLL_SDIV)#define REG_CLK_SRC0 (ELFIN_CLOCK_POWER_BASE + CLK_SRC0_OFFSET)
#define REG_APLL_LOCK (ELFIN_CLOCK_POWER_BASE + APLL_LOCK_OFFSET)
#define REG_MPLL_LOCK (ELFIN_CLOCK_POWER_BASE + MPLL_LOCK_OFFSET)
#define REG_CLK_DIV0 (ELFIN_CLOCK_POWER_BASE + CLK_DIV0_OFFSET)
#define REG_APLL_CON0 (ELFIN_CLOCK_POWER_BASE + APLL_CON0_OFFSET)
#define REG_MPLL_CON (ELFIN_CLOCK_POWER_BASE + MPLL_CON_OFFSET)#define rREG_CLK_SRC0 (*(volatile unsigned int *)REG_CLK_SRC0)
#define rREG_APLL_LOCK (*(volatile unsigned int *)REG_APLL_LOCK)
#define rREG_MPLL_LOCK (*(volatile unsigned int *)REG_MPLL_LOCK)
#define rREG_CLK_DIV0 (*(volatile unsigned int *)REG_CLK_DIV0)
#define rREG_APLL_CON0 (*(volatile unsigned int *)REG_APLL_CON0)
#define rREG_MPLL_CON (*(volatile unsigned int *)REG_MPLL_CON)void clock_init(void)
{// 1 设置各种时钟开关,暂时不使用PLLrREG_CLK_SRC0 = 0x0;// 2 设置锁定时间,使用默认值即可// 设置PLL后,时钟从Fin提升到目标频率时,需要一定的时间,即锁定时间rREG_APLL_LOCK = 0x0000ffff;rREG_MPLL_LOCK = 0x0000ffff;// 3 设置分频// 清bit[0~31]rREG_CLK_DIV0 = 0x14131440;// 4 设置PLL// FOUT = MDIV*FIN/(PDIV*2^(SDIV-1))=0x7d*24/(0x3*2^(1-1))=1000 MHzrREG_APLL_CON0 = APLL_VAL;// FOUT = MDIV*FIN/(PDIV*2^SDIV)=0x29b*24/(0xc*2^1)= 667 MHzrREG_MPLL_CON = MPLL_VAL;// 5 设置各种时钟开关,使用PLLrREG_CLK_SRC0 = 0x10001111;
}
C代码写寄存器语法总结:
1.register = (想写入寄存器的数字)
2.register是寄存器经过处理之后的C语法变量
3.处理:寄存器地址转换为指针类型,再进行解引用
C代码写寄存器示例:
//寄存器地址表示方法1
#define REG_APLL_LOCK 0x??????; //寄存器地址//寄存器地址表示方法2
#define ELFIN_CLOCK_POWER_BASE 0xE0100000 // 基地址
#define REG_CLK_SRC0 (ELFIN_CLOCK_POWER_BASE + CLK_SRC0_OFFSET)//基址+变址#define rREG_APLL_LOCK (*(volatile unsigned int *)REG_APLL_LOCK)rREG_APLL_LOCK = 0x0000ffff;
这篇关于S5PV210开发1.0.6------时钟系统的文章就介绍到这儿,希望我们推荐的文章对编程师们有所帮助!