本文主要是介绍燃气调压站网管平台方案,希望对大家解决编程问题提供一定的参考价值,需要的开发者们随着小编来一起学习吧!
一、背景介绍
天然气高中压调压站的建立,是为了使天然气减压,以适合下游部位的相关设备或设施。
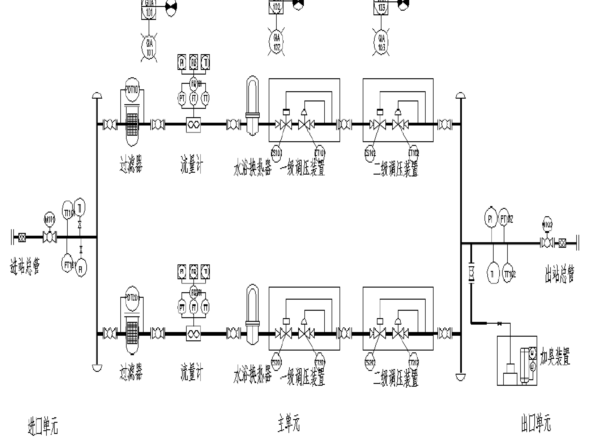
调压站包括下列几单元:
其一,进口单元,也就是上游管路,通过这一部分,天然气可输送至调压站;
其二,主单元,也就是各种功能性管路,可先后对天然气进行预处理、对天然气进行调压处理、对天然气进行计量处理。,通过这一单元,天然气的调压计量工作可达到管路集成的状态。
其三,出口单元,也就是下游管路,通过这一部分,天然气可从调压站向各处输送。
天然气压调压站的网管平台主要功能:设备数据读取和告警、设备远程控制、维修工单出来。

二、云平台介绍——主要模块和功能
登录管理:用户名+密码登录方式,用户可修改密码。
权限管理:该平台最大权限人是仪表公司,然后按照站点进行权限分配。
实时状态:查看该用户权限下,所有设备的实时状态。目前需要观察的设备。查看该账号下所涉及的所有设备的总体状态,例如:设备总数、在/离线设备比例、暂停设备数量、设备报警情况、设备比例与设备报警/故障排行等数据。
报警信息查看该用户权限下所有报警信息,新科方是全部项目报警信息,用户是自己项目的报警信息。报警信息包含:那个项目、那个设备、具体报警故障内容、设备编号等。首页总体显示报警信息。
数据分析按照项目查看该项目的管道仪表数据等各类数据。有日累计、月累计、极值统计。有曲线。
设备管理设备管理对登陆账号所涉及的设备进行管理,可对设备进行增加、删除、修改、查看等操作。设备可以设置报警点,比如压力记录仪的压力值报警点是多少等。可以设置上传数值处理方式,单位等。
三、云平台介绍——整体和首页
云平台包含:机构管理、设备管理、数据分析、设备维护、报警管理、权限管理几个大部分。

四、云平台介绍——权限管理
机构管理、权限管理是为了方便用户分配管理权限


五、云平台介绍——设备管理
- 设备管理
设备权限:按照层级权限进行进行管理。
(1)燃气公司:权限是查看该公司所有站点设备
(2)分公司:查看隶属该分公司站点设备
(3)设备类型权限分配
(4)单设备权限分配
设备详情:设备可以设置报警点,压力记录仪的压力值、温度值、流量值等均可以设置。可上传警告阈值及处理方式,单位等。
异常处理:项目负责人和相关的具有相应短信与语音权限的相关人员会接收到报警电话与短信通知;在手机APP 的设备详情页中会有报警警报声,通过消音按钮可以对报警设备进行消音/消警。
状态管理:设备指示灯:报警、异常、离线;设备阈值状态。
- 云平台介绍——数据管理
设备状态:用户权限下,所有设备的实时状态。目前需要观察的设备及所有设备的总体状态,可查看设备相关数据等信息。
实时数据:可实时查看仪表设备实时数据:压力、压差,温度、瞬时流量,累计流量、电池电量、报警信息等数据
警报异常:首页总体显示报警信息,包含:项目、设备、具体报警故障内容、设备编号等。可查看该类型的设备的报警信息,可批量处理
历史分析:按照项目查看该项目的管道仪表数据等。有日累计、月累计、极值统计。有曲线、柱状显示方式。
硬件介绍

技术优势以及提供服务
有硬件研发团队,实现各类传感器/PLC等设备数据采集和传输
有资深工程师组成的软件研发团队,云平台具有高并发,响应快,运行稳定等优点
与高校合作,开发人工智能、机器学习、大数据处理等算法,嵌入云平台,实现智慧化运维和监控
三格电子(http://www.tj-sange.com/)品主要有多业务光端机、光猫、光纤收发器、光口交换机、噪声与振动信号采集卡、通用信号采集卡、WIFI无线采集卡等。
这篇关于燃气调压站网管平台方案的文章就介绍到这儿,希望我们推荐的文章对编程师们有所帮助!