本文主要是介绍几种仪表放大器电路总结,希望对大家解决编程问题提供一定的参考价值,需要的开发者们随着小编来一起学习吧!
一般模拟信号在进入A/D采样前,需要先进行信号调理,模拟信号放大部分需要着重设计。放大电路采用仪表放大器,其能有效抵抗共模干扰且具有很高的输入电阻,有效提高信噪比。
以下总结常用的仪表模拟放大电路设计。
1、单运放仪表放大器

2、双运放仪表放大器

3、三运放仪表放大器

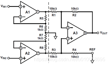
4、改进三运放仪表放大器

各类放大器的优劣,欢迎评论留言~~。
这篇关于几种仪表放大器电路总结的文章就介绍到这儿,希望我们推荐的文章对编程师们有所帮助!