本文主要是介绍机械行业人员走起!必需懂的看图技巧!,希望对大家解决编程问题提供一定的参考价值,需要的开发者们随着小编来一起学习吧!
机械行业人员走起!必需懂的看图技巧!
工作中要经常接触各类零件图纸,
使用视图、剖视图、剖面图表示零件的内外结构;各部分的轮廓尺寸及转变。

▌ 正投影法
投影时投影线都相互平行,投影线与投影面相垂直的平行投影法。

-
基本视图


-
向视图

-
局部视图

-
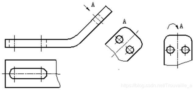
斜视图

-
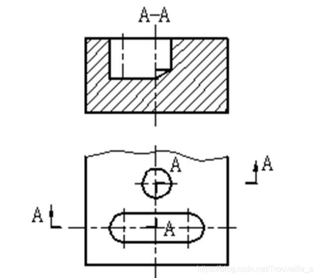
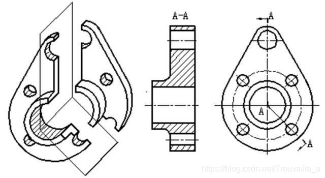
剖视图

1)全剖视图

2)半剖视图

3)局部剖视图

4)阶梯剖

5)旋转剖

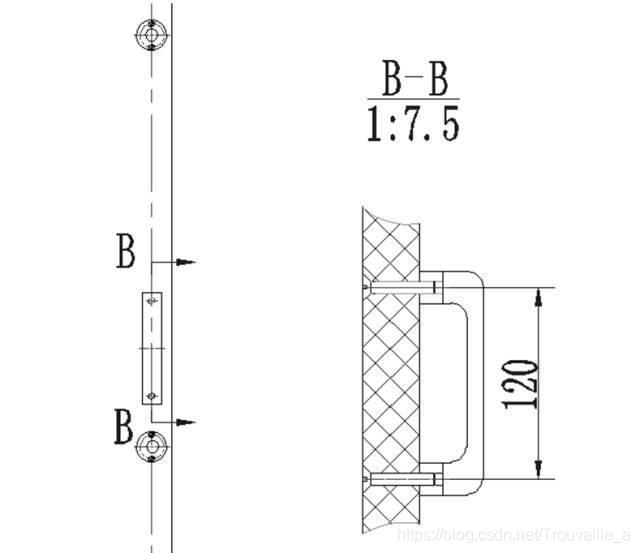
- 断面图

假想用剖切平面将机件在某处切断,只画出切断面形状的投影并画上规定的剖面符号的图形,称为断面图,简称为断面。
▌识读零件图的一般方法和步骤
(1)首先看标题栏,概括了解零件
看标题栏,了解零件名称、材料和比例等内容,从而大体了解零件的功用,从名称判断该零件属于哪一类零件。从材料判断该零件大致的加工方法。从比例判断该零件的实际大小,从而对零件有初步的了解。
(2)分析研究视图,想象结构形状
看视图,分析零件各视图的配置及视图之间的关系,采用的表达方法和表达的内容,运用组合体的读图方法,形体分析法和线面分析法来读懂零件各部分的结构,想象出零件各部分的形状、相对位置及其作用。
(3)分析所有尺寸,弄清尺寸要求
综合分析视图和形体,分析零件的长、宽、高三个方向的尺寸基准,然后从基准出发,以结构形状分析为线索,再了解各形体的定形和定位尺寸,弄清各个尺寸的作用,图形和尺寸表达的是零件的形状和大小,读图时应把视图、尺寸和形状结构三者结合起来分析。
(4)分析技术要求,综合看懂全图
读图时应弄清表面粗糙度、尺寸公差、形位公差等技术要求。了解其代号含义。必要时还要联系与该零件有关的零件一起分析
这篇关于机械行业人员走起!必需懂的看图技巧!的文章就介绍到这儿,希望我们推荐的文章对编程师们有所帮助!