本文主要是介绍微机原理关于存储器译码相关计算,希望对大家解决编程问题提供一定的参考价值,需要的开发者们随着小编来一起学习吧!
T1门电路译码电路
(1)该电路采用是全地址译码方式还是部分译码方式,说明原因。
(2)计算出SRAM 62256存取器容量大小,用KB为单位?
(3)分析写出SRAM 62256的地址范围。

解答:
(1)全地址译码,因为使用了全部地址线。
(2)共15根地址线,A0-A14,2^15=32k,又因为是存储容量,一个单元8位,即1B,故容量大小为32kB.
(3)要使门电路输出1,则左边A15-A19经过与非门 之后输出低电位使CS*片选有效,故A15-A19的编码为10001,后面15根地址线分别全0和全1,就是SRAM 62256的地址范围。0x88000-0x8FFFF.
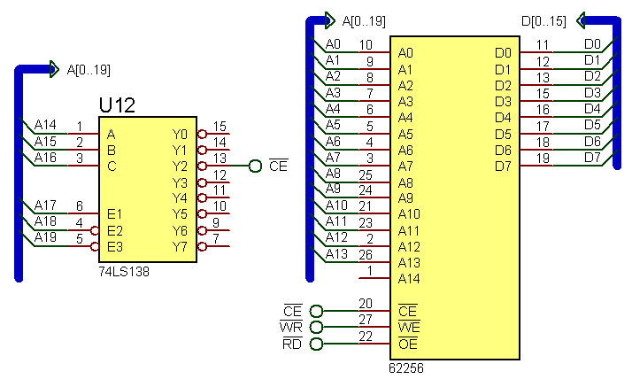
采用74LS138译码设计的电路如图
(1) 分析写出SRAM 62256的地址范围。
(2) 根据设计的电路,向存储器SRAM62256的前50个存储单元写入2016H;

(1)前面74LS138要在Y2输出低电位,根据书上关于该芯片译码组合(可以查一下),左边A19-A14的组合分别为001010,后面14根地址线全0或全1,得出地址范围。为28000H-28FFFH.
(2)代码如下:
.model small
.8086
.stack
.data
.code
.startup
mov ax,2800h
mov ds,ax ;?ds
mov dx,2016h
mov cx,50
mov bx,0
sim:mov [bx],dh
mov ax,[bx]
inc bx
inc bx
mov [bx],dl
mov ax,[bx]
inc bx
inc bx
loop sim
jmp $
.exit
End
这篇关于微机原理关于存储器译码相关计算的文章就介绍到这儿,希望我们推荐的文章对编程师们有所帮助!