本文主要是介绍MT6176 RF System Datasheet,MT6176规格书技术资料下载,希望对大家解决编程问题提供一定的参考价值,需要的开发者们随着小编来一起学习吧!
这里介绍下MT6176射频规格书资料。
MT6176 RF System Datasheet

1 Introduction
1.1 Overview
MT6176是一种40 nm CMOS多模式、多波段、高集成度的收发信机.本文件描述了将rf独立芯片嵌入整个平台的性能指标。
1.2 Key Features
全多模射频解决方案(C2K/GGE/WCDMA/TDSCDMA/LTE/LTE-CA)
---Multi-band LTE/WCDMA/TD-SCDMA/GGE/C2K

---16QAM UL/64QAM DL (HSPA+/LTE)
---C2K/2G/3G/4G co-banding
---Supports RxD (14 RxD ports)
---Supports SRLTE
GMSK的直接转换(LTE/3G/8-PSK)和DFM
---Dedicated power detection circuits for power control over specific power range
---4LB/4MB/2HB TX output port
混合直接转换(4G/3G/C2K)/低中频(GGE,DC-HSDPA)接收机
---14+14 RX input ports
---4 RXIF IQ outputs
双DC-DC变换器的低供电电流和直接工作
来自外部VCTCXO操作的26 MHz(带有集成AFC DAC)
支持关键Rx和TX规范的RF校准功能(图像抑制、LO馈入、IIP 2、DC偏移、RC角)
测温子系统
载体聚合(CA)
---支持3 GPP R12(V12.6.0)中定义的带内和带间CA组合。
2 Block Diagram and Application Diagram

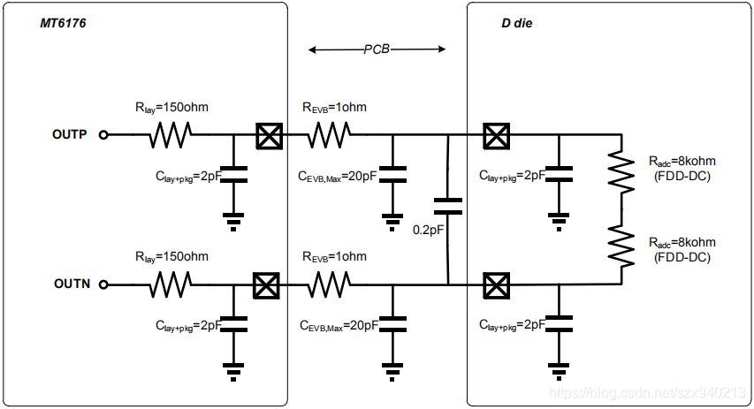
RXIF IQ输出加载模型


参考资料:
![]()
这篇关于MT6176 RF System Datasheet,MT6176规格书技术资料下载的文章就介绍到这儿,希望我们推荐的文章对编程师们有所帮助!