本文主要是介绍SX1243IULTRT低成本低电流+ 10dBm射频发射器310-928MHz,希望对大家解决编程问题提供一定的参考价值,需要的开发者们随着小编来一起学习吧!
SX1243IULTRT低成本低电流+ 10dBm射频发射器310-928MHz
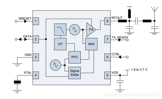
SX1243是一款超低成本,完全集成的FSK或OOK发射器,适用于310和450 MHz,860和870 MHz之间的工作,以及902和928 MHz。
无线射频 FSK发射器
SX1243IULTRT -40°C至+ 85°C DFN-UT8
特征
+10 dBm或0 dBm可配置输出功率
比特率高达100 kbps
OOK和FSK调制。
1.8至3.7 V电源范围。
低BOM全集成Tx
小数N分频PLL,典型步长为1.5 kHz
FHSS调制的频率捷变
AEC-Q100合格部件
FCC CFR Part 15.247数字调制技术
应用
车库门开启器
低成本消费电子应用
遥控无钥匙进入(RKE)
远程控制/安全系统
打包
DFN-UT8
订单代码
SX1243IULTRT - 无铅,无卤素,符合RoHS / WEEE标准的产品

一般说明
概述:FAE:13723714318
SX1243是一款完全集成的多频段单芯片发送器IC,能够对输入进行FSK和OOK调制
数据流。
这篇关于SX1243IULTRT低成本低电流+ 10dBm射频发射器310-928MHz的文章就介绍到这儿,希望我们推荐的文章对编程师们有所帮助!