本文主要是介绍《安富莱嵌入式周报》第257期:2022.03.14--2022.03.20,希望对大家解决编程问题提供一定的参考价值,需要的开发者们随着小编来一起学习吧!
往期周报汇总地址:嵌入式周报 - uCOS & uCGUI & emWin & embOS & TouchGFX & ThreadX - 硬汉嵌入式论坛 - Powered by Discuz!

本周视频教程更新:
DSP视频教程第4期:Matlab Simulink生成C工程代码在STM32上运行(2022-03-17)
https://www.armbbs.cn/forum.php?mod=viewthread&tid=111464
视频版:
《安富莱嵌入式周报》第257期:信号完整性,缺芯交付历史之最26.2周,ARM全球裁员15%,UML嵌入式实时编程框架,模拟时钟表盘,Matlab特色实验汇总_哔哩哔哩_bilibili
《安富莱嵌入式周报》第257期:信号完整性,缺芯交付历史之最26.2周,ARM全球裁员15%,UML嵌入式实时编程框架,模拟时钟表盘,Matlab特色实验汇总
1、免费下载的信号完整性杂志
Archived Print Issues | Signal Integrity Journal
SIJ-2022-Issue_Technical-eBook.pdf (43.24MB)
下载看了一期还不错。有需要了解的可以看看。每年更新1-2期。
迄今发布的所有电子版都是免费下载的。

2、缺芯问题
(1)全球芯片延迟交付时间达历史之最,上个月高达26.2周
来自调研机构Susquehanna Financial Group的消息
Semiconductor Delivery Wait Times Grow Again as Shortages Persist - Bloomberg

(2)安富利做缺芯问题对产品设计的影响调研
avnet-insights-deconstructing-the-chip-shortage-march-2022.pdf (2.39 MB)
调查了来自全球的530名工程师。了解芯片短缺对他们意味着什么,以及他们对未来前景的看法

产品延期3-6个月的最多:

98%都反映面临严重挑战:

芯片涨价和受影响较大的器件:

花多少时间来修改产品:

大部分工程师选择较长的等待周期和高价购买

应对假冒零件的处理。

3、Ambiq继续引领低功耗单片机,新款Apollo4 PLUS提供2.75MB RAM,2MB的MRAM
Ambiq Enables Intelligence on Endpoints with a Broadened Portfolio of Ultra-Low Power Processors - Ambiq
亮点:
1、22nm工艺,Cortex-M4内核,主频192MHz
2、从2MB的MRAM执行或者2.75MB SRAM执行,功耗可以低至4uA/MHz(Apollo4 是3uA/MHz)
3、支持2D和2.5D图形加速,支持帧缓冲压缩,MIPI DSI接口,两个通道,每个500Mbps。
4、低功耗蓝牙5.x,支持AOA和AOD蓝牙测向技术。
5、专业的音频接口和超低功耗模拟麦克风,可实现始终在线的语音处理。
MRAM作为单片机Flash起到一个引领的作用。
关于MRAM(磁阻式随机存取内存)
一种非易失性内存技术,从1990年代开始发展。这个技术的拥护者认为,这个技术速度接近SRAM,具有快闪存储器的非易失性,容量密度及使用寿命不输DRAM,平均能耗远低于DRAM,成为真正的通用型内存。
相比FRAM铁电,MRAM性能更加强劲,读写速度更快,支持无限次读写,超宽的耐温范围,可实现超过20年的数据记录。
2.5D图形加速(来自wiki)
2.5D是电脑游戏对于图像处理方式的一种术语,俗称伪3D、假3D、四分之三侧面透视。方法是利用2D的sprite来模拟出3D环境。这种方式的好处,是免去纯3D图像处理所涉及的大量计算工作,从而使模拟出来的立体图像得以更快显现。1990年代,不少只需要用户进行二维操控的游戏,例如:Doom都采用这种绘图模式。而现在很多游戏,很多都是采用这种绘图方式,让用户有置身游戏境内的感觉。
Ambiq低功耗技术
Ambiq的次阈值功率优化技术(Subthreshold Power Optimized Technology,简称SPOT)使用泄漏在数字和模拟域中的“off”晶体管进行计算。通过仅使用泄漏电流来处理大多数计算,可以轻松实现约纳瓦级的系统总功耗。
通过MRAM Cache实现单周期访问

框图:

4、ARM全球裁员15%,涉及1000职位
UK chipmaker Arm to cut up to 1,000 jobs after $40bn sale collapses | Arm | The Guardian
根据外媒消息,Arm将全球裁员15%,总计约1000个岗位,ARM在全球有6500多名员工,其中3000在英国。

5、LUA语言全球排名重返TOP20
index | TIOBE - The Software Quality Company

6、MDK软件包新增了个UML嵌入式实时编程框架
MDK5 Software Packs (keil.com)

7、IAR RISC-V版对64bit内核器件进行支持
IAR Systems extends powerful RISC-V solutions with 64-bit support | IAR Systems
主要来自Andes,Codasip,Microchip,Nuclei和SiFive的多个RV64器件,此外,现在还支持对称多核处理(SMP),从而实现多核RISC-V器件的高性能调试。

8、美信推出一款迄今最小封装的低功耗、高性能模拟前端MAX30009,专为可穿戴生物阻抗监测而设计。
生物阻抗分析是一种非侵入性、低成本的分析,对于诊断肾脏、心脏、神经、肺部和传染病至关重要
MAX30009 Low-Power, High-Performance Bioimpedance Analog Front-End | Maxim Integrated
框图:

规格:

9、Matlab特色实验汇总
Course Materials - MATLAB & Simulink
下面是部分截图,大家看看有没有自己需要的:

10、注意区分GPIO上电复用和上电复位状态
开头补充:H7系列大部分IO是上电是模拟输入,而F1,F4是浮空输入,这点略有区别。
看数据手册,以PA8为例,这个是经典代表。
下面是GPIO上电复位功能:

下面这个叫上电复用状态:
特殊就特殊在所有GPIO上电就是AF0复用。PA8也不例外,是MCO1复用。

复用功能要起作用,需要设置GPIO模式(支持输入,输出,模拟和复用)为复用即可,像JTAG那几个引脚PA15,PA14等,上电已经是复用模式(因为对应GPIO模式寄存器上电已经设置,见下图Reset值)。
而PA8上电是模拟输入模式,要使用MCO1,仅仅设置为AF复用模式就是MCO1功能, 无需配置使用AF几,默认就已经是MCO1的AF0。

11、新款时钟表例子整理好了,指针采用透明图旋转,做成了独立窗口,方便大家移植修改各炫酷样式
已经给第3版emWin教程设计好,本周再整理个GUIX的试试,顺便更新一起教程给大家分享下。
大家可以方便切换各种表盘和时钟指针效果,做成了现成的时钟表盘升级框架。
动态:

静态:

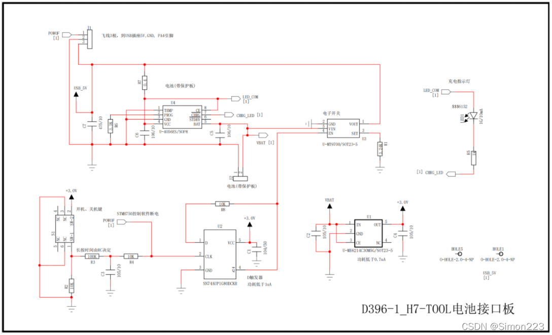
12、H7-TOOL本周进展
H7-TOOL详细介绍:H7-TOOL开发工具,1拖4/16脱机烧录,高速DAPLINK仿真,CAN助手,串口助手,示波器,RTT等,支持WiFi,以太网,高速USB和手持版 - H7-TOOL开发工具 - 硬汉嵌入式论坛 - Powered by Discuz!
(1)H7-TOOL电池版做了一个手工样机
充电中亮红灯,充满熄灭

充电板原理图
H7-TOOL电池接口版已做一个手工样机(有图) 2022-03-19 - H7-TOOL开发工具 - 硬汉嵌入式论坛 - Powered by Discuz!

(2)H7-TOOL示波器CAN差分测量也是没问题的
TEK测试效果:

TOOL测试效果

这篇关于《安富莱嵌入式周报》第257期:2022.03.14--2022.03.20的文章就介绍到这儿,希望我们推荐的文章对编程师们有所帮助!