本文主要是介绍STM32F4时钟系统笔记(重点标注),希望对大家解决编程问题提供一定的参考价值,需要的开发者们随着小编来一起学习吧!
STM32F4时钟树概述
众所周知,时钟系统是CPU的脉搏,就像人的心跳一样。所以时钟系统的重要性就不言而喻了。STM32F4的时钟系统比较复杂,不像简单的51单片机一个系统时钟就可以解决一切。于是有人要问,采用一个系统时钟不是很简单吗?为什么STM32要有多个时钟源呢?因为首先STM32本身非常复杂,外设非常的多,但是并不是所有外设都需要系统时钟这么高的频率,比如看门狗以及RTC只需要几十k的时钟即可。同一个电路,时钟越快功耗越大,同时抗电磁干扰能力也会越弱,所以对于较为复杂的MCU一般都是采取多时钟源的方法来解决这些问题。
首先让我们来看看STM32F4的时钟系统图:

在STM32F4中,有5个最重要的时钟源,为HSI、HSE、LSI、LSE、PLL。其中PLL实际是分为两个时钟源,分别为主PLL和专用PLL。从时钟频率来分可以分为高速时钟源和低速时钟源,在这5个中HSI,HSE以及PLL是高速时钟,LSI和LSE是低速时钟。从来源可分为外部时钟源和内部时钟源,外部时钟源就是从外部通过接晶振的方式获取时钟源,其中HSE和LSE是外部时钟源,其他的是内部时钟源。下面我们看看STM32F4的这5个时钟源,我们讲解顺序是按图中红圈标示的顺序:
①、LSI是低速内部时钟,RC振荡器,频率为32kHz左右。供独立看门狗和自动唤醒单元使用。
②、LSE是低速外部时钟,接频率为32.768kHz的石英晶体。这个主要是RTC的时钟源。
③、HSE是高速外部时钟,可接石英/陶瓷谐振器,或者接外部时钟源,频率范围为4MHz~26MHz。我们的开发板接的是8M的晶振。HSE也可以直接做为系统时钟或者PLL输入。
④、HSI是高速内部时钟,RC振荡器,频率为16MHz。可以直接作为系统时钟或者用作PLL输入。
⑤、PLL为锁相环倍频输出。STM32F4有两个PLL:
1)主PLL(PLL)由HSE或者HSI提供时钟信号,并具有两个不同的输出时钟。
第一个输出PLLP用于生成高速的系统时钟(最高168MHz)
第二个输出PLLQ用于生成USB OTGFS的时钟(48MHz),随机数发生器的时钟和SDIO
时钟。
2)专用PLL(PLLI2S)用于生成精确时钟,从而在I2S接口实现高品质音频性能。
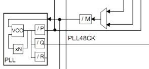
这里我们着重看看主PLL时钟第一个高速时钟输出PLLP的计算方法。图4.3.1.2是主PLL的时钟图。

图4.3.1.2 STM32F4主PLL时钟图
从图4.3.1.2可以看出。主PLL时钟的时钟源要先经过一个分频系数为M的分频器,然后经过倍频系数为N的倍频器出来之后的时候还需要经过一个分频系数为P(第一个输出PLLP)或者Q(第二个输出PLLQ)的分频器分频之后,最后才生成最终的主PLL时钟。
例如我们的外部晶振选择8MHz。同时我们设置相应的分频器M=8,倍频器倍频系数N=336,分频器分频系数P=2,那么主PLL生成的第一个输出高速时钟PLLP为:
PLL=8MHz * N/ (MP)=8MHz336 /(8*2) = 168MHz
如果我们选择HSE为PLL时钟源,同时SYSCLK时钟源为PLL,那么SYSCLK时钟为168MHz。这对于我们后面的实验都是采用这样的配置。
上面我们简要概括了STM32的时钟源,那么这5个时钟源是怎么给各个外设以及系统提供时钟的呢?这里我们选择一些比较常用的时钟知识来讲解。图4.3.1.1中我们用A~G标示我们要讲解的地方。
A.这里是看门狗时钟输入。从图中可以看出,看门狗时钟源只能是低速的LSI时钟。
B.这里是RTC时钟源,从图上可以看出,RTC的时钟源可以选择LSI,LSE,以及HSE分频后的时钟,HSE分频系数为2~31。
C. 这里是STM32F4输出时钟MCO1和MCO2。
MCO1是向芯片的PA8引脚输出时钟。它有四个时钟来源分别为:HSI,LSE,HSE和PLL时钟。
MCO2是向芯片的PC9引脚输出时钟,它有四个时钟来源分别为:HSE,PLL,SYSCLK以及PLLI2S时钟。
MCO输出时钟频率最大不超过100MHz。
D.这里是系统时钟。从图4.3.1可以看出,SYSCLK系统时钟来源有三个方面:HSI,HSE和PLL。在我们实际应用中,因为对时钟速度要求都比较高我们才会选用STM32F4这种级别的处理器,所以一般情况下,都是采用PLL作为SYSCLK时钟源。根据前面的计算公式,大家就可以算出你的系统的SYSCLK是多少。
E. 这里我们指的是以太网PTP时钟,AHB时钟,APB2高速时钟,APB1低速时钟。这些时钟都是来源于SYSCLK系统时钟。其中以太网PTP时钟是使用系统时钟。AHB,APB2和APB1时钟是经过SYSCLK时钟分频得来。这里大家记住,AHB最大时钟为168MHz,APB2高速时钟最大频率为84MHz,而APB1低速时钟最大频率为42MHz。
F.这里是指I2S时钟源。从图4.3.1可以看出,I2S的时钟源来源于PLLI2S或者映射到I2S_CKIN引脚的外部时钟。I2S出于音质的考虑,对时钟精度要求很高。探索者STM32F4开发板使用的是内部PLLI2SCLK。
G. 这是STM32F4内部以太网MAC时钟的来源。
对于MII接口来说,必须向外部PHY芯片提供25Mhz的时钟,这个时钟,可以由PHY芯片外接晶振,或者使用STM32F4的MCO输出来提供。然后,PHY芯片再给STM32F4提供ETH_MII_TX_CLK和ETH_MII_RX_CLK时钟。
对于RMII接口来说,外部必须提供50Mhz的时钟驱动PHY和STM32F4的ETH_RMII_REF_CLK,这个50Mhz时钟可以来自PHY、有源晶振或者STM32F4的MCO。
我们的开发板使用的是RMII接口,使用PHY芯片提供50Mhz时钟驱动STM32F4的ETH_RMII_REF_CLK。
H. 这里是指外部PHY提供的USB OTGHS(60MHZ)时钟。
这里还需要说明一下,Cortex系统定时器Systick的时钟源可以是AHB时钟HCLK或
HCLK的8分频。具体配置请参考Systick定时器配置,我们后面会在5.1小节讲解delay文件夹代码的时候讲解。
在以上的时钟输出中,有很多是带使能控制的,例如AHB总线时钟、内核时钟、各种APB1外设、APB2外设等等。当需要使用某模块时,记得一定要先使能对应的时钟。后面我们讲解实例的时候会讲解到时钟使能的方法。
STM32F4时钟初始化配置
上一小节我们对STM32F4时钟树进行了初步的讲解,接下来我们来讲解一下STM32F4的系统时钟配置。
STM32F4时钟系统初始化是在system_stm32f4xx.c中的SystemInit()函数中完成的。对于系统时钟关键寄存器设置主要是在SystemInit函数中调用SetSysClock()函数来设置的。我们可以先看看SystemInit()函数体:
void SystemInit(void){/* FPU settings------------------------------------------------------------*/#if (__FPU_PRESENT == 1)&& (__FPU_USED == 1)SCB->CPACR |= ((3UL<< 10*2)|(3UL << 11*2)); /* set CP10 and CP11 Full Access */#endif/* Reset the RCC clockconfiguration to the default reset state ------------*//* Set HSION bit */RCC->CR |=(uint32_t)0x00000001;/* Reset CFGR register */RCC->CFGR =0x00000000;/* Reset HSEON, CSSON andPLLON bits */RCC->CR &=(uint32_t)0xFEF6FFFF;/* Reset PLLCFGR register*/RCC->PLLCFGR =0x24003010;/* Reset HSEBYP bit */RCC->CR &=(uint32_t)0xFFFBFFFF;/* Disable all interrupts*/RCC->CIR = 0x00000000;#if defined(DATA_IN_ExtSRAM) || defined (DATA_IN_ExtSDRAM)SystemInit_ExtMemCtl();#endif /* DATA_IN_ExtSRAM|| DATA_IN_ExtSDRAM *//* Configure the Systemclock source, PLL Multiplier and Divider factors,AHB/APBx prescalers andFlash settings ----------------------------------*/SetSysClock();/* Configure the VectorTable location add offset address ------------------*/#ifdef VECT_TAB_SRAMSCB->VTOR = SRAM_BASE| VECT_TAB_OFFSET; /* Vector Table Relocation in Internal SRAM */#elseSCB->VTOR = FLASH_BASE| VECT_TAB_OFFSET; /* Vector Table Relocation in Internal FLASH */#endif}
SystemInit函数开始先进行浮点运算单元设置,然后是复位PLLCFGR,CFGR寄存器,同时通过设置CR寄存器的HSI时钟使能位来打开HSI时钟。默认情况下如果CFGR寄存器复位,那么是选择HSI作为系统时钟,这点大家可以查看RCC->CFGR寄存器的位描述最低2位可以得知,当低两位配置为00的时候(复位之后),会选择HSI振荡器为系统时钟。也就是说,调用SystemInit函数之后,首先是选择HSI作为系统时钟。下面是RCC->CFGR寄存器的位1:0配置描述(CFGR寄存器详细描述请参考《STM32F4中文参考手册》6.3.31CFGR寄存器配置表)如下表4.3.2.1:

表4.3.2.1RCC->CFGR寄存器的位1:0配置
在设置完相关寄存器后,接下来SystemInit函数内部会调用SetSysClock函数。这个函数比较长,我们就把函数一些关键代码行截取出来给大家讲解一下。这里我们省略一些宏定义标识符值的判断而直接把针对STM32F407比较重要的内容贴出来:
static voidSetSysClock(void){__IO uint32_tStartUpCounter = 0, HSEStatus = 0;/*使能HSE*/RCC->CR |=((uint32_t)RCC_CR_HSEON);/* 等待HSE稳定*/do{HSEStatus = RCC->CR& RCC_CR_HSERDY;StartUpCounter++;} while((HSEStatus == 0)&& (StartUpCounter != HSE_STARTUP_TIMEOUT));if ((RCC->CR &RCC_CR_HSERDY) != RESET){HSEStatus =(uint32_t)0x01;}else{HSEStatus =(uint32_t)0x00;}if (HSEStatus ==(uint32_t)0x01){/* Select regulatorvoltage output Scale 1 mode */RCC->APB1ENR |=RCC_APB1ENR_PWREN;PWR->CR |= PWR_CR_VOS;/* HCLK = SYSCLK / 1*/RCC->CFGR |=RCC_CFGR_HPRE_DIV1;/* PCLK2 = HCLK / 2*/RCC->CFGR |=RCC_CFGR_PPRE2_DIV2;/* PCLK1 = HCLK / 4*/RCC->CFGR |=RCC_CFGR_PPRE1_DIV4;/* PCLK2 = HCLK / 2*/RCC->CFGR |=RCC_CFGR_PPRE2_DIV1;/* PCLK1 = HCLK / 4*/RCC->CFGR |=RCC_CFGR_PPRE1_DIV2;/* Configure the main PLL*/RCC->PLLCFGR = PLL_M |(PLL_N << 6) | (((PLL_P >> 1) -1) << 16) |(RCC_PLLCFGR_PLLSRC_HSE)| (PLL_Q << 24);/* 使能主PLL*/RCC->CR |=RCC_CR_PLLON;/* 等待主PLL就绪*/while((RCC->CR &RCC_CR_PLLRDY) == 0){}/* Configure Flashprefetch, Instruction cache, Data cache and wait state */FLASH->ACR =FLASH_ACR_PRFTEN | FLASH_ACR_ICEN|FLASH_ACR_DCEN|FLASH_ACR_LATENCY_5WS;/* 设置主PLL时钟为系统时钟源*/RCC->CFGR &=(uint32_t)((uint32_t)~(RCC_CFGR_SW));RCC->CFGR |=RCC_CFGR_SW_PLL;/* 等待设置稳定(主PLL作为系统时钟源)*/while ((RCC->CFGR& (uint32_t)RCC_CFGR_SWS ) != RCC_CFGR_SWS_PLL);{}}else{ /* If HSE fails tostart-up, the application will have wrong clockconfiguration. User canadd here some code to deal with this error */}}
这段代码的大致流程是这样的:先使能外部时钟HSE,等待HSE稳定之后,配置AHB,APB1,APB2时钟相关的分频因子,也就是相关外设的时钟。等待这些都配置完成之后,打开主PLL时钟,然后设置主PLL作为系统时钟SYSCLK时钟源。如果HSE不能达到就绪状态(比如外部晶振不能稳定或者没有外部晶振),那么依然会是HSI作为系统时钟。
在这里要特别提出来,在设置主PLL时钟的时候,会要设置一系列的分频系数和倍频系数参数。大家可以从SetSysClock函数的这行代码看出:
RCC->PLLCFGR = PLL_M | (PLL_N << 6) | (((PLL_P >> 1) -1)<< 16) |(RCC_PLLCFGR_PLLSRC_HSE) | (PLL_Q << 24);
这些参数是通过宏定义标识符的值来设置的。默认的配置在System_stm32f4xx.c文件开头的地方配置。对于我们开发板,我们的设置参数值如下:
#define PLL_M 8#define PLL_Q 7#define PLL_N 336#define PLL_P 2
所以我们的主PLL时钟为:
PLL=8MHz * N/ (M*P)=8MHz*336 /(8*2) = 168MHz
在开发过程中,我们可以通过调整这些值来设置我们的系统时钟。这里还有个特别需要注意的地方,就是我们还要同步修改stm32f4xx.h中宏定义标识符HSE_VALUE的值为我们的外部时钟:
#if !defined (HSE_VALUE)#define HSE_VALUE ((uint32_t)8000000) /*!< Value of the Externaloscillator in Hz */#endif /* HSE_VALUE */
这里默认固件库配置的是25000000,我们外部时钟为8MHz,所以我们根据我们硬件情况修改为8000000即可。
讲到这里,大家对SystemInit函数的流程会有个比较清晰的理解。那么SystemInit函数是怎么被系统调用的呢?SystemInit是整个设置系统时钟的入口函数。这个函数对于我们使用ST提供的STM32F4固件库的话,会在系统启动之后先执行main函数,然后再接着执行SystemInit函数实现系统相关时钟的设置。这个过程设置是在启动文件startup_stm32f40_41xxx.s中间设置的,我们接下来看看启动文件中这段启动代码:
; Reset handlerReset_Handler PROCEXPORT Reset_Handler[WEAK]IMPORT SystemInitIMPORT __mainLDR R0, =SystemInitBLX R0LDR R0, =__mainBX R0ENDP
这段代码的作用是在系统复位之后引导进入main函数,同时在进入main函数之前,首先要调用SystemInit系统初始化函数完成系统时钟等相关配置。
最后我们总结一下SystemInit()函数中设置的系统时钟大小:
SYSCLK(系统时钟) =168MHzAHB总线时钟(HCLK=SYSCLK)=168MHzAPB1总线时钟(PCLK1=SYSCLK/4)=42MHzAPB2总线时钟(PCLK2=SYSCLK/2)=84MHzPLL主时钟 =168MHz
STM32F4时钟使能和配置
上小节我们讲解了系统复位之后调用SystemInit函数之后相关时钟的默认配置。如果在系统初始化之后,我们还需要修改某些时钟源配置,或者我们要使能相关外设的时钟该怎么设置呢?这些设置实际是在RCC相关寄存器中配置的。因为RCC相关寄存器非常多,有兴趣的同学可以直接打开《STM32F4中文参考手册》6.3小节查看所有RCC相关寄存器的配置。所以这里我们不直接讲解寄存器配置,而是通过STM32F4标准固件库配置方法给大家讲解。
在STM32F4标准固件库里,时钟源的选择以及时钟使能等函数都是在RCC相关固件库文件stm32f4xx_rcc.h和stm32f4xx_rcc.c中声明和定义的。大家打开stm32f4xx_rcc.h文件可以看到文件开头有很多宏定义标识符,然后是一系列时钟配置和时钟使能函数申明。这些函数大致可以归结为三类,一类是外设时钟使能函数,一类是时钟源和分频因子配置函数,还有一类是外设复位函数。当然还有几个获取时钟源配置的函数。下面我们以几种常见的操作来简要介绍一下这些库函数的使用。
首先是时钟使能函数。时钟使能相关函数包括外设设置使能和时钟源使能两类。首先我们来看看外设时钟使能相关的函数:
voidRCC_AHB1PeriphClockCmd(uint32_t RCC_AHB1Periph, FunctionalState NewState);voidRCC_AHB2PeriphClockCmd(uint32_t RCC_AHB2Periph, FunctionalState NewState);voidRCC_AHB3PeriphClockCmd(uint32_t RCC_AHB3Periph, FunctionalState NewState);voidRCC_APB1PeriphClockCmd(uint32_t RCC_APB1Periph, FunctionalState NewState);voidRCC_APB2PeriphClockCmd(uint32_t RCC_APB2Periph, FunctionalState NewState);
这里主要有5个外设时钟使能函数。5个函数分别用来使能5个总线下面挂载的外设时钟,这些总线分别为:AHB1总线,AHB2总线,AHB3总线,APB1总线以及APB2总线。要使能某个外设,调用对应的总线外设时钟使能函数即可。这里我们要特别说明一下,STM32F4的外设在使用之前,必须对时钟进行使能,如果没有使能时钟,那么外设是无法正常工作的。对于哪个外设是挂载在哪个总线之下,虽然我们也可以查手册查询到,但是这里如果大家使用的是库函数的话,实际上是没有必要去查询手册的,这里我们给大家介绍一个小技巧。比如我们要使能GPIOA,我们只需要在stm32f4xx_rcc.h头文件里面搜索GPIOA,就可以搜索到对应的时钟使能函数的第一个入口参数为RCC_AHB1Periph_GPIOA,从这个宏定义标识符一眼就可以看出,GPIOA是挂载在AHB1下面。同理,对于串口1我们可以搜索USART1,找到标识符为RCC_APB2Periph_USART1,那么很容易知道串口1是挂载在APB2之下。这个知识在我们后面的“4.7快速组织代码技巧”小节也有讲解,这里顺带提一下。如果我们要使能GPIOA,那么我们可以在头文件stm32f4xx_rcc.h里面查看到宏定义标识符RCC_AHB1Periph_GPIOA,顾名思义GPIOA是挂载在AHB1总线之下,所以,我们调用AHB1总线下外设时钟使能函数RCC_AHB1PeriphClockCmd即可。具体调用方式入如下:
RCC_AHB1PeriphClockCmd(RCC_AHB1Periph_GPIOA,ENABLE);//使能GPIOA时钟
同理,如果我们要使能串口1的时钟,那么我们调用的函数为:
voidRCC_AHB2PeriphClockCmd(uint32_t RCC_AHB1Periph, FunctionalState NewState);
具体的调用方法是:
RCC_APB2PeriphClockCmd(RCC_APB2Periph_USART1,ENABLE);
还有一类时钟使能函数是时钟源使能函数,前面我们已经讲解过STM32F4有5大类时钟源。这里我们列出来几种重要的时钟源使能函数:
voidRCC_HSICmd(FunctionalState NewState);voidRCC_LSICmd(FunctionalState NewState);voidRCC_PLLCmd(FunctionalState NewState);voidRCC_PLLI2SCmd(FunctionalState NewState);voidRCC_PLLSAICmd(FunctionalState NewState);voidRCC_RTCCLKCmd(FunctionalState NewState);
这些函数是用来使能相应的时钟源。比如我们要使能PLL时钟,那么调用的函数为:
voidRCC_PLLCmd(FunctionalState NewState);
具体调用方法如下:
RCC_PLLCmd(ENABLE);
我们要使能相应的时钟源,调用对应的函数即可。接下来我们要讲解的是第二类时钟功能函数:时钟源选择和分频因子配置函数。这些函数是用来选择相应的时钟源以及配置相应的时钟分频系数。比如我们之前讲解过系统时钟SYSCLK,我们可以选择HSI,HSE以及PLL三个中的一个时钟源为系统时钟。那么到底选择哪一个,这是可以配置的。下面我们列举几种时钟源配置函数:
voidRCC_LSEConfig(uint8_t RCC_LSE);voidRCC_SYSCLKConfig(uint32_t RCC_SYSCLKSource);voidRCC_HCLKConfig(uint32_t RCC_SYSCLK);voidRCC_PCLK1Config(uint32_t RCC_HCLK);voidRCC_PCLK2Config(uint32_t RCC_HCLK);voidRCC_RTCCLKConfig(uint32_t RCC_RTCCLKSource);voidRCC_PLLConfig(uint32_t RCC_PLLSource, uint32_t PLLM,uint32_t PLLN, uint32_tPLLP, uint32_t PLLQ);
比如我们要设置系统时钟源为HSI,那么我们可以调用系统时钟源配置函数:
voidRCC_SYSCLKConfig(uint32_t RCC_SYSCLKSource); 具体配置方法如下:voidRCC_SYSCLKConfig(RCC_SYSCLKSource_HSI);//配置时钟源为HSI
又如我们要设置APB1总线时钟为HCLK的2分频,也就是设置分频因子为2分频,那么
如果我们要使能HSI,那么调用的函数为:
voidRCC_PCLK1Config(uint32_t RCC_HCLK);
具体配置方法如下:
RCC_PCLK1Config(RCC_HCLK_Div2);
接下来我们看看第三类外设复位函数。如下:
voidRCC_AHB1PeriphResetCmd(uint32_t RCC_AHB1Periph, FunctionalState NewState);voidRCC_AHB2PeriphResetCmd(uint32_t RCC_AHB2Periph, FunctionalState NewState);voidRCC_AHB3PeriphResetCmd(uint32_t RCC_AHB3Periph, FunctionalState NewState);voidRCC_APB1PeriphResetCmd(uint32_t RCC_APB1Periph, FunctionalState NewState);voidRCC_APB2PeriphResetCmd(uint32_t RCC_APB2Periph, FunctionalState NewState);
这类函数跟前面讲解的外设时钟函数使用方法基本一致,不同的是一个是用来使能外设时钟,一个是用来复位对应的外设。这里大家在调用函数的时候一定不要混淆。对于这些时钟操作函数,我们就不一一列举出来,大家可以打开RCC对应的文件仔细了解。
这篇关于STM32F4时钟系统笔记(重点标注)的文章就介绍到这儿,希望我们推荐的文章对编程师们有所帮助!