本文主要是介绍中国石油大学(北京)远程教育学院 期 末 考 试 《 结构力学 》试卷,希望对大家解决编程问题提供一定的参考价值,需要的开发者们随着小编来一起学习吧!
1.多余约束是体系中不需要的约束。
2.瞬变体系在很小的荷载作用下会产生很大的内力。
3.外力作用在基本部分上时,附属部分的内力、变形和位移均为零。
1.三刚片组成无多余约束的几何不变体系,其连接方式是
A 以任意的3个铰相连 B 以不在一条线上3个铰相连
C 以3对平行链杆相连 D 以3个无穷远处的虚铰相连
2.在图示简支梁中点C的剪力FQC=![]()
A P/2 B -P/2 C P D 不确定
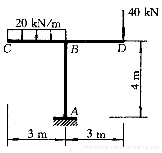
三.试作图示刚架弯矩图、剪力图和轴力图,必须写清计算过程并绘图(本题15分)


+v:chenjing-1125可以看到全部资料
这篇关于中国石油大学(北京)远程教育学院 期 末 考 试 《 结构力学 》试卷的文章就介绍到这儿,希望我们推荐的文章对编程师们有所帮助!