本文主要是介绍ads传统功放设计笔记(2),希望对大家解决编程问题提供一定的参考价值,需要的开发者们随着小编来一起学习吧!
传统功放设计的流程一般包括以下这些步骤:
1、明确设计目标
2、选择功放管子
3、确定静态工作点
4、设计偏置电路
5、判断稳定性
6、负载与源牵引
7、输入输出阻抗匹配
8、原理图优化
9、大信号仿真
10、版图设计
11、版图联合仿真
12、pcb设计
第一节总结了前面五步的设计步骤,接下去是进行负载和源牵引。
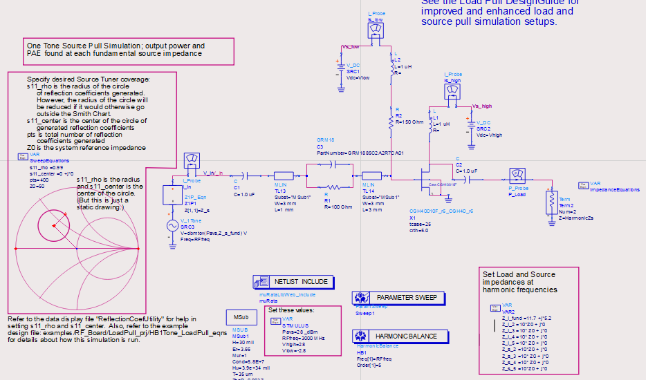
6、负载与源牵引
可以直接通过ADS中的负载与源牵引模板来进行设计。

负载与源牵引的电路如图所示,只需将我们的CGH40010芯片加入进去,连接好电路,这里还加入了RC稳定电路。之后设置好我们的工作频率、Vds、Vgs和输入功率就可以进行仿真。


这是一个多次迭代的过程,最终得到最优值。意思就是说,没进行一次负载牵引可以得到一个最佳的负载阻抗,将它带入到z_l_fund中进行源牵引得到最佳源阻抗z_s_fund。再将源阻抗带入后做负载牵引,如此得到最佳一致的值。


可以从负载与源的牵引结果看出最佳负载阻抗为11.7+j5.2欧姆,最佳源阻抗为7.8-j16.1。PAE在输入功率为28dBm时可以达到66.59%,输出功率为41.5dBm。
7、输入输出阻抗匹配
这部分的内容比较简单,直接适用史密斯圆图工具来进行匹配就好了,相关的书籍中都有写怎么匹配。在匹配中需要注意一些点:1、参与匹配的微带线不能太粗或者太细,应该考虑到微带的承载电流能力和能量损耗。2、微带线之间应该考虑到不连续性,通过优化来解决不连续性带来的影响。
在得到了匹配电路后,将偏置网络分别加入到输入和输出匹配中,在进行仿真和优化微带线长和宽。


可以看到输入匹配在3GHz附近的回波损耗在20dB左右,插入损耗小于0.3个dB。输出匹配在3GHz附近的回波损耗在30dB左右,插入损耗小于0.13个dB,所以匹配效果较好。


8、原理图优化
在进行完上述步骤后,需要将输入匹配电路、输出匹配电路、偏置电路、稳定电路、功放芯片连接起来后进行仿真和优化。

最后我们看到优化后的仿真结果如下图所示,S11在-10dB左右,S21接近18dB,电路稳定系数k在1.4以上。可以说,电路是符合设计要求的。

9、大信号仿真
在仿真完功放小信号后,最关心的指标是功放的效率和输出功率,也就是需要进行大信号仿真。这边新建一个原理图,将电路复制进去,然后将S参数控件都打叉,替换成端口。之后右键生成一个新的sample。


调用ADS中单音仿真的模板,如下图所示设置号工作频率、栅极电压、漏级电压、负载电阻、输入功率扫描范围后进行仿真。


可以看到仿真结果,在输出功率为41dBm的时候,效率可以达到67%。在功放1dB、2dB和3dB压缩点,功放的PAE可以达到49%,61%和65%。基本符合设计的要求。




这篇关于ads传统功放设计笔记(2)的文章就介绍到这儿,希望我们推荐的文章对编程师们有所帮助!