本文主要是介绍Aduino UNO 9in1 扩展板(Eagler8)的素人实验记录(一),希望对大家解决编程问题提供一定的参考价值,需要的开发者们随着小编来一起学习吧!
在开源硬件领域,偶只是素人一枚,完全的新手。为促进自己学习Arduino技术,一个笨办法就是记录各项实验的情况。这当中肯定会有许多不懂的地方或是自以为是,还请各位老师多多赐教为盼。

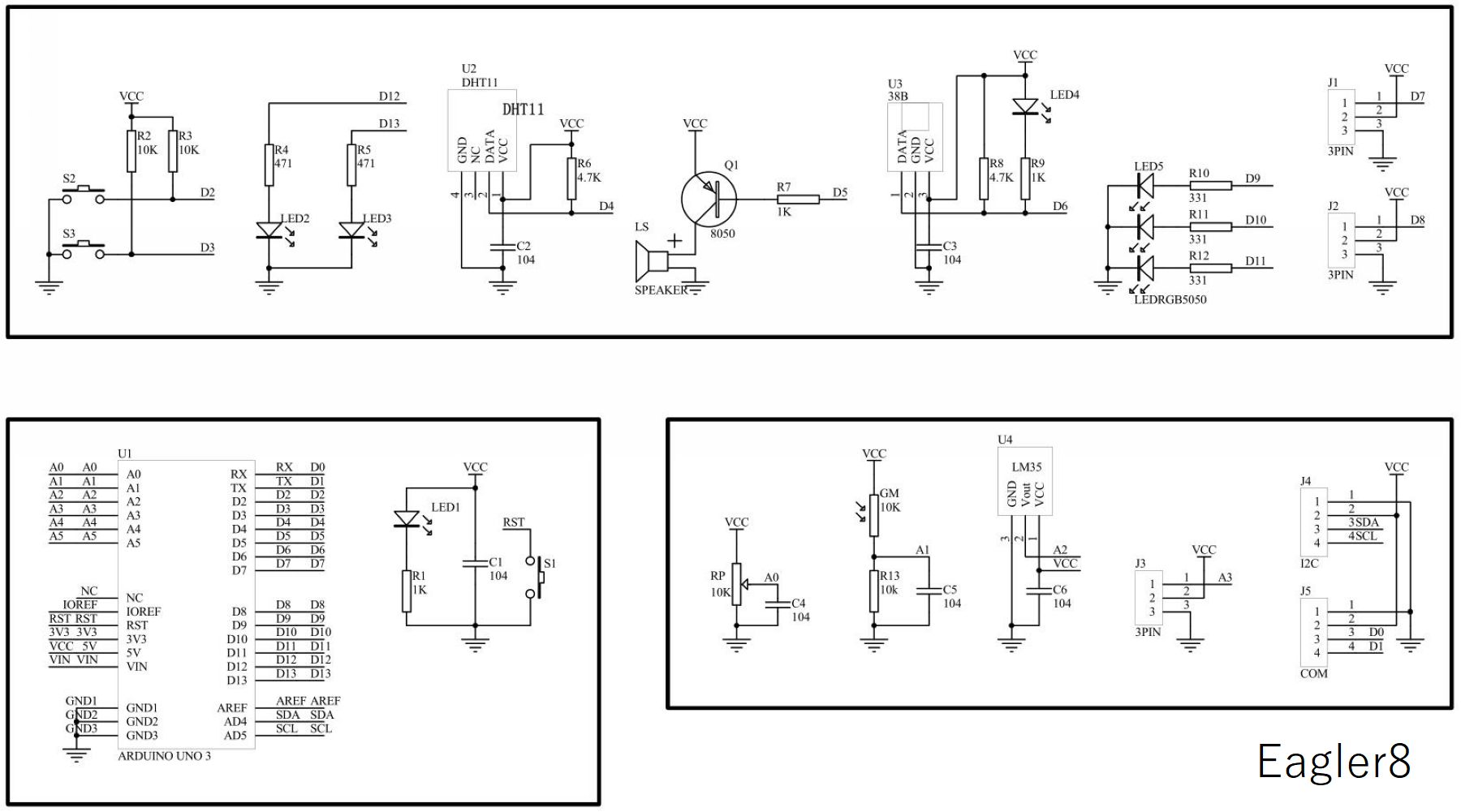
学习Arduino有不同的方法,使用扩展板相对会比较简便一些。利用我手头的一块“Aduino UNO 9in1 扩展板(Eagler8)”(见上图),它上面集成了九种不同的开源模块和五个扩展的外接端口,挺便利的就能进行18种的Arduino示例实验。
收集和整理的相关资料如下:
一、软件准备
1、Arduino官网 https://www.arduino.cc

Arduino1.8.9中文版下载页面 https://www.arduino.cc/en/Main/Software


2、Arduino中文社区 Arduino1.8.9中文版下载页面 https://www.arduino.cn/thread-5838-1-1.html

3、安装Arduino软件并安装相对应的USB接口驱动程序
二、硬件准备
1、SG90 9G舵机一只,兼容红外遥控器一只


2、Aduino UNO 9in1 实验扩展板(Eagler8)一块

3、Arduino UNO原装板及UNO R3黄金板(国产兼容板)各一块


实验硬件都齐了
三、Aduino UNO 9in1 实验扩展板(Eagler8)资料
1、Eagler8参数:
尺寸–70*53mm
平台–Arduino
硬件–Arduino UNO及UNO R3兼容板


·2、Eagler8模块与板载端口:
复位按键(REST)
10K旋转电位器模块(A0)
2路SW按键模块(D2、D3)
Light亮度传感器模块(A1)
LM35D温度传感器模块(A2)
Buzzer无源蜂鸣器模块(D5)
DHT11温湿度传感器模块(D4)
ER Receiver红外接收模块(D6)
1路Analog Port模拟量端口(A3)
RGB全彩LED模块(D9、D10、D11)
2路Digital Port数字量端口(D7、D8)
1个TTL串口(可接入蓝牙或WIFI模块等)
2路3mm LED模块(红色D12、蓝色D13)
1个双向同步串行总线I2C接口(A4 SDA及A5 SCL,可接显示屏等)

3、Eagler8特性
优秀PCB设计,美观大方
完全兼容Arduino UNO R3接口
预留了5个扩展端口,可以完成其他模块实验
提供了Arduino初学入门基本实验九种模块
不用焊接,不用连线,直接下载程序就可以完成实验
定制加高排针,不会与UNO板的USB接口接触发生短路
一块板子集成九种模块功能,轻而易举完成18种程序实验
提供所有模块代码库文件,全部经过测试,直接就可以使用
4、Eagler8程序使用说明:
将 Eagler8 文件夹拷贝到 Arduino IED 安装目录下的 libraries 文件夹内。启动 Arduino IDE,文件‐-示例‐-Eagler8,即可调用18个示例实验程序。所有程序已经在 Arduino 1.8.9 中调试实验过,可以直接使用。
5、Eagler8实验程序列表
1.LED 实验
01 Blink:D13蓝色 LED 闪烁
02 Blink2:D12、D13红蓝色 LED 交替闪烁
03 Blink3:模拟爆闪警灯
04 Breath_LED:D9 全彩 LED 模拟红色呼吸灯
2.按键实验
05 Button:D2 按键控制 D13蓝色 LED
06 Button_Lock:D3 按键控制 D13 蓝色LED 自锁实验
3.电位器实验
07 RS232_AD:串口读取 A0 电位器采集的数值(旋转角度270°,输出0-3.3V/5V电压信号,电位器阻值10K)
08 Rotation_LED:A0 电位器控制 D11 全彩 LED 蓝色端亮度
09 RC_Motor:A0 电位器控制 D7 输出口的舵机,控制其转动角度(舵机需自备,Arduino 需要外部供电)
4.RGB 全彩 LED 实验
10 LED_RGB_Text:全彩 LED 基本颜色变化
11 LED_RGB:全彩 LED 彩虹变化
5.红外传感器D6实验(红外遥控器需自备)
12 IRrelay:按红外遥控器任意键,可以控制 D13 LED 开关(控制距离1-8米,频率38KHz,兼容市面上大部分红外遥控器)
13 IRrecord:串口显示读取的红外遥控代码
6.温度传感器实验
14 LM35_RS232AD:串口显示 A2 口 LM35 温度传感器读取的温度(可测试室内外温度,范围-50-150°C,灵敏度好)
7.湿度传感器实验
15 DHT11_Test:串口显示 D4 口 DHT11 温湿度传感器读取的温湿度数据(测温范围0-50°C,湿度范围20%-90%PH)
8.亮度传感器实验
16 Light Sensor:串口显示 A1 口光敏电阻采集的数值
17 Light_LED:A1 口光敏电阻控制 D13 LED 开关(感光比较灵敏,适合教学实验及民用设备)
9.蜂鸣器实验
18 Buzzer:D5 口无源蜂鸣器模拟救护车警笛(可发出简单的音乐声,音乐需要通过程序编写)

这篇关于Aduino UNO 9in1 扩展板(Eagler8)的素人实验记录(一)的文章就介绍到这儿,希望我们推荐的文章对编程师们有所帮助!