本文主要是介绍飞凌嵌入式攻城狮课堂丨分享一种LCD驱动电路方案,希望对大家解决编程问题提供一定的参考价值,需要的开发者们随着小编来一起学习吧!
在一次项目定制中,客户要求我们将 CPU 主控和 LCD 显示屏电压驱动电路做成一体板, LCD 显示屏所需要的 AVDD,VGH,VGL 等电压需要主控板提供,因为这几路电压所输出的电流都很小(一般都不会超过 10mA ,具体可以查阅屏体手册),可以采用电荷泵电路。在这里我分享一种集成电荷泵的芯片方案,采用 TI 的 TPS 65140 ,以下是电路图,此电路有一定的应用范围限制,下面我会讲到。
本文资料参考来源 TI 的 tps65140 芯片手册,《 Application Report SLVA918–December 2017 》以及 maxim 的 MAX202E 芯片手册。

LCD驱动电路方案
1. T PS65140 工作原理简述
TPS6510x 和 TPS6514x 器件包含用于正电荷泵和负电荷泵的驱动器电路。对于正电荷泵,这些设备集成了需要从外部连接的二极管。在输出电压的可用范围内,则该设备可以调节电荷泵的输出电压。
1 .1 负电荷泵

大多数应用电路使用图 1 所示的一级负电荷泵电路。可以使用一个以上的级来生成更多的负电压,但是很少有 LCD 需要这样的负电压,因此这里不再讨论。
该电路可产生的最小(即最负数)输出电压由下式给出:

• VO1 is the output voltage of the boost converter (shown as V(SUP) in Figure 1)
• VF is the forward voltage of the diodes
• IO2 is the output current of the negative charge-pump
• rDS(ON)Q8 and rDS(ON)Q9 are the on-resistances of the supply circuit
• VF = 0.5 V (taken from the data sheet of the BAT54 diode) (1) diode)
• rDS(ON)Q8 = 4.3 Ω at IDS = 20 mA
• rDS(ON)Q9= 2.9 Ω at IDS = 20 mA
图 2 是器件中的负电荷泵可以产生的输出电压范围,该范围是电源电压 VO1 的函数。

如果尝试生成低于可用范围的输出电压,则灰色区域的底部边界为输出电压。例如,如果 VO1 = 11 V ,而您尝试生成 VO2 = -12 V ,则将获得大约 -9.7 V (通过跟随 VO1 = 11 V 网格线直到达到灰色区域的底部边界而找到)。也就是说负电压最小值是受 V O1 限制的。
1 .2 正电荷泵双倍增器
为了正确使用正电荷泵的双倍配置,在引脚 C1- 和 C1+ 两端连接电容器。使引脚 C2+ 保持开路,如图 3 所示。

双倍频器可以产生的最大输出电压由下式给出:

倍频器的最小输出电压由下式给出:

正电荷泵的输出电压也是受限于 VO1 的,其范围如下图。 如果 VO1 = 11 V ,并且您尝试使用双倍电荷泵生成 VO3 = 24 V ,则只能大约 得到 20.6 V (跟随 VO1 = 11 V 网格线直到达到灰色区域的顶部边界)。

1 .3 正电荷泵三倍增器
如果应用需要的 VO3 电压比双倍电荷泵产生的电压高,请使用图 4 所示的三倍配置。在引脚 C2- / Mode 和 C2 + 之间连接一个额外的飞跨电容器。

三倍电路的最大输出电压由下式给出

器件的数据手册规定了 VO3 的最大值为 30V 。
最小输出电压由下式给出

正电荷泵的输出电压也是受限于 VO1 的,其范围如下图。如果 VO1 = 11 V ,而您尝试用三倍电荷泵产生 VO3 = 16 V ,您会发现它位于红色填充区域。结果,该设备将调节至约 20 V 的最小值(跟随 VO1 = 11 V 网线直至红线找到)。

1 .4 小结
TPS65140器件中的电荷泵可以调节输出电压,且可调节的电压是有一定范围的,可以使用本文档查看该器件的可用输出电压范围。如果应用在允许范围的边缘附近,请确保设计具有足够的余量以在所有条件下正确运行。
2 . 简述电荷泵原理
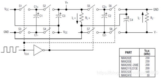
为了更好的帮助大家更好地理解电泵原理, TTL 转 RS232 芯片内部结构可以更直观的展示出来。典型的电平转接电路 MAXx2xx 系列因单电源 +5V 供电,均有电荷泵来产生 ±10V 电压,以供 RS232 电平所需。
一般是接 4 个电容,采用双电荷泵,标准接法如下:

芯片内自带振荡器驱动双电荷泵,分双相四步工作,如下图:
VCC 接+5V 电源。V+ 和V- 分别是输出的泵电压。

第一步: S1,S3 闭合, S2,S4 断开,电源 +5V 向 C1 充电, C1 电压最高可至 5V 。
第二步: S2,S4 闭合, S1,S3 断开,这时 C1 负端电位应该等于电源 +5V , C1 储存的电荷经 S2,S4 转移至 C3 , C3 两端电压差应该是 5V ,和电源 VCC 电压叠加起来提供 10V 的 V+ 电源。
第三步: S5,S7 闭合, C3 所储存电荷向 C2 充电, C2 电压最高可至 10V 。
第二、三步实际是同时进行的。
第四步, S6,S8 闭合, C2 所储存电压经 S6,S8 转移至 C4 , C4 最高电压可至 10V ,如图中接法, 构成反相电荷泵,提供了 -10V 的 V-
原文链接:https://www.forlinx.com/article_view_440.html
这篇关于飞凌嵌入式攻城狮课堂丨分享一种LCD驱动电路方案的文章就介绍到这儿,希望我们推荐的文章对编程师们有所帮助!