本文主要是介绍华中科技大学-计算机组成原理实验-运算器,希望对大家解决编程问题提供一定的参考价值,需要的开发者们随着小编来一起学习吧!
华中科技大学-计算机组成原理实验-运算器
文章目录
- 华中科技大学-计算机组成原理实验-运算器
- 8位可控加法器
- 4位先行进位74182
- 4位快速加法器
- 16位快速加法器
- 32位快速加法器
- 5位阵列乘法器
- 6位补码阵列乘法器
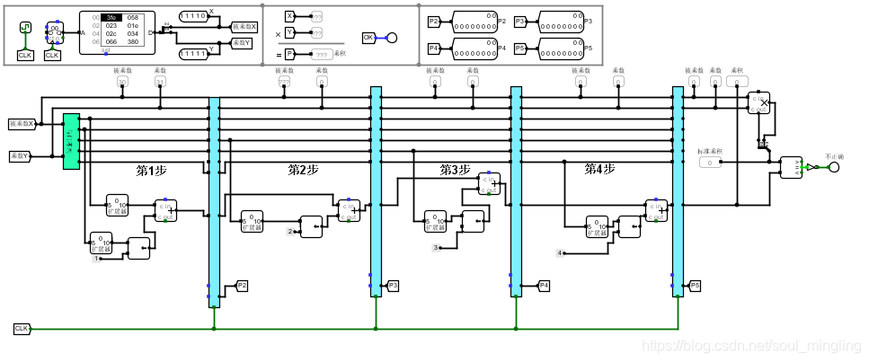
- 5位无符号乘法流水线
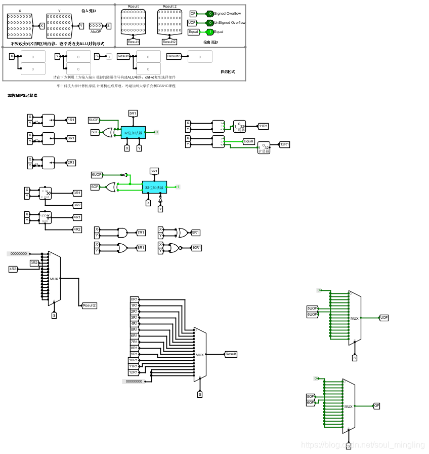
- 算数逻辑运算单元ALU
拖了好久,终于还是赶在结束时间前写完了(心腹大患啊),其间也有卡题,但大多还是修修补补,再加上参考答案,搞出来了(除了9,10)。总结一份可以用的答案吧:
8位可控加法器

4位先行进位74182

4位快速加法器

16位快速加法器

32位快速加法器

5位阵列乘法器

6位补码阵列乘法器

5位无符号乘法流水线

算数逻辑运算单元ALU

这篇关于华中科技大学-计算机组成原理实验-运算器的文章就介绍到这儿,希望我们推荐的文章对编程师们有所帮助!