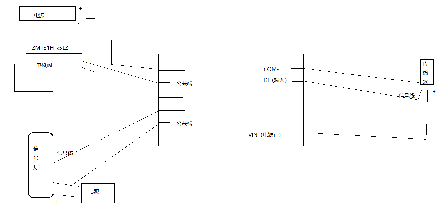
本文主要是介绍继电器IO模块接线 电磁阀 信号灯 传感器,希望对大家解决编程问题提供一定的参考价值,需要的开发者们随着小编来一起学习吧!

这篇关于继电器IO模块接线 电磁阀 信号灯 传感器的文章就介绍到这儿,希望我们推荐的文章对编程师们有所帮助!
本文主要是介绍继电器IO模块接线 电磁阀 信号灯 传感器,希望对大家解决编程问题提供一定的参考价值,需要的开发者们随着小编来一起学习吧!

这篇关于继电器IO模块接线 电磁阀 信号灯 传感器的文章就介绍到这儿,希望我们推荐的文章对编程师们有所帮助!
http://www.chinasem.cn/article/523442。
23002807@qq.com