本文主要是介绍VSG并网控制:功率环+电压电流双闭环+svpwm调制 matlab18版本,保证输出效果和控制没有任何问题。,希望对大家解决编程问题提供一定的参考价值,需要的开发者们随着小编来一起学习吧!
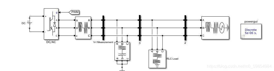
VSG并网控制:功率环+电压电流双闭环+svpwm调制
matlab18版本,保证输出效果和控制没有任何问题。
反正速度很快






这篇关于VSG并网控制:功率环+电压电流双闭环+svpwm调制 matlab18版本,保证输出效果和控制没有任何问题。的文章就介绍到这儿,希望我们推荐的文章对编程师们有所帮助!