本文主要是介绍普思J0011D01BNL 百兆网络连接器 RJ45网口详情及建议芯片配置,希望对大家解决编程问题提供一定的参考价值,需要的开发者们随着小编来一起学习吧!
盈盛电子导读:普思J0011D01BNL是一款常用的百兆网络连接器 JACK 本文详情介绍了本款RJ45网口详情
本款网口建议的芯片配置为 IC Design References
| MANUFACTURER | PART NUMBER |
|---|---|
| Maxim | 78Q2123 |
| Broadcom | BCM5221 |
| Broadcom | BCM5241 |
| Texas Instruments | DP83816AVNG |
| Texas Instruments | DP83843BVJE/NOPB |
| Texas Instruments | DP83847 |
| Texas Instruments | DP83848CVV |
| Microchip / Micrel | KSZ8893MBL |
| Microchip / Micrel | KSZ8893MQL/MBL |
| Microchip / Micrel | KSZ8895xxxxx |
| Microchip / Micrel | KSZ8995xxx |
| Microchip | LAN91C111-NU/LAN91C111-NS |
| Microchip | PIC18F67J60 |
| Microchip | PIC18F87J50 |
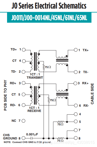
本款网口基本参数




如有不明,可本文评论留言或私信作者
这篇关于普思J0011D01BNL 百兆网络连接器 RJ45网口详情及建议芯片配置的文章就介绍到这儿,希望我们推荐的文章对编程师们有所帮助!