本文主要是介绍分立器件笔记(二极管,三极管,电阻电容电感),希望对大家解决编程问题提供一定的参考价值,需要的开发者们随着小编来一起学习吧!
一.二极管(单向导电性)
1.稳压二极管(齐纳二极管)
稳压二极管主要是稳压的作用。就是稳压二极管的特点就是击穿后,其两端的电压基本保持不变。
这样,当把稳压管接入电路以后,若由于电源电压发生波动,或其它原因造成电路中各点电压变动时,负载两端的电压将基本保持不变。
齐纳击穿和血崩击穿
可以通过串联获得更高的稳压值
在电压精度和功率要求不高时使用稳压二极管,在要求高的情况下使用电源芯片




与三极管结合


瞬态抑制二极管
双向触发
2.瞬态抑制二极管TVS管:
TVS管超过它的耐压值后,会瞬间导通短路,反应速度在ns级,
而稳压管是稳压作用的,超过它的稳压值,只要功率不超过它的耐受值,就会稳定在它的稳压值范围内。
TVS是瞬态抑制二极管,主要是用来抑制瞬时电压尖峰,减少尖峰电压对元器件的损耗。
瞬态电压抑制二极管常称为防雷管,是一种安全保护器件。这种器件在电路系统中起到分流、箝位作用,可以有效降低由于雷电、电路中开关通断时产生的高压脉冲,避免雷电、高压脉冲损坏其它器件。
瞬态电压抑制二极管有单向、双向两种。单向的图形符号与稳压管相似,TVS器件按极性可分为单极性和双极性两种;按用途可分为通用型和专用型;按封装和内部结构可分为轴向引线二极管、双列直插TVS阵列、贴片式和大功率模块等[1]。轴向引线的产品峰值功率可达400 W、500 W、600W、1500W和5 000W。其中大功率的产品主要用在电源馈线上,低功率产品主要用在高密度安装场合。对于高密度安装的场合,也可以选择双列直插和表面贴装等封装形式。当输入端有高压浪涌脉冲引入时,不论脉冲方向如何,TVS管能快速进入击穿状态,对输入电压进行箝位。


常见 smbj3.3 smaj5.0 smaj40 等等 有单极性双极性

Ipp 峰值电流
Vbr击穿电压


使用时是反向布置的
3.普通硅二极管:
普通硅二极管的耐压可以做得较高,但是它的恢复速度低,只能用在低频的整流上,如果是高频的就会因为无法快速恢复而发生反向漏电,最后导致管子严重发热烧毁;
用于防反接

4.肖特基二极管:
肖特基二极管是以金属和半导体接触形成的势垒为基础的二极管,简称肖特基二极管(Schottky Barrier Diode,SBD),具有正向压降低(0.4--0.5V)、反向恢复时间很短(10-40纳秒),而且反向漏电流较大,耐压低,一般低于150V,多用于低电压场合。其耐压能常较低,但是它的恢复速度快,多用作高频、低压、大电流整流二极管、续流二极管、保护二极管,也有用在微波通信等电路中作整流二极管、小信号检波二极管使用。在通信电源、变频器等中比较常见。一个典型的应用,是在双极型晶体管 BJT 的开关电路里面 通过在 BJT 上连接 Shockley 二极管来箝位,使得晶体管在导通状态时其实处于很接近截止状态,从而提高晶体管的开关速度。这种方法是 74LS,74ALS,74AS 等典型数字 IC 的 TTL内部电路中使用的技术。


何为续流:
续流二极管作用及工作原理
续流二极管都是并联在线圈的两端,线圈在通过电流时,会在其两端产生感应电动势。当电流
消失时,其感应电动势会对电路中的原件产生反向电压。当反向电压高于原件的反向击穿电压时,
会把原件如三极管,等造成损坏。续流二极管并联在线两端,当流过线圈中的电流消失时,线圈产
生的感应电动势通过二极管和线圈构成的回路做功而消耗掉。丛而保护了电路中的其它原件的安全。
在电路中反向并联在继电器或电感线圈的两端,当电感线圈断电时其两端的电动势并不立即消
失,此时残余电动势通过一个二极管释放,起这种作用的二极管叫续流二极管。其实还是个二极管
只不过它在这起续流作用而以,例如在继电器线圈两端反向接的那个二极管或单向可控硅两端反向
接一个二极管。
为什么要反向接个二极管呢?
因为继电器的线圈是一个很大的电感,它能以磁场的形式储存电能,所以当他吸合的时候存储
大量的磁场当控制继电器的三极管由导通变为截至时线圈断电但是线圈里有磁场这时将产生反向电
动势电压可高达1000V 以上很容易击穿推动三极管或其他电路元件,这是由于二极管的接入正好和
反向电动势方向一致把反向电势通过续流二极管以电流的形式中和掉从而保护了其他电路元器件,
因此它一般是开关速度比较快的二极管,象可控硅电路一样因可控硅一般当成一个触点开关来用,
如果控制的是大电感负载一样会产生高压反电动势原理和继电器一样的。在显示器上也用到一般用
在消磁继电器的线圈上。
经常和储能元件一起使用,防止电压电流突变,提供通路。电感可以经过它给负载提供持续的
电流,以免负载电流突变,起到平滑电流的作用!在开关电源中,就能见到一个由二极管和电阻串
连起来构成的的续流电路。这个电路与变压器原边并联。当开关管关断时,续流电路可以释放掉变
压器线圈中储存的能量,防止感应电压过高,击穿开关管。
一般选择快速恢复二极管或者肖特基二极管就可以了,用来把线圈产生的反向电势释放掉!

在图3 中KR 在VT 导通时,上面电压为上正下负,电流方向由上向下。在VT 关断时会,KR
中电流突然中断,会产生感应电势,其方向是力图保持电流不变,即总想保持KR 电流方向为由下
至下。这个感应电势与电源电压迭加后加在VT两端,容易使VT出穿。为此加上VD,将KR产
生的感应电势短路掉,电注是你所说的“顺时针方向在二极管和继电器所的小回路里面流动”,从而
保护VT。图2中的R、C也是利用C上电压不能突变的原理,来吸收感应电势。可见“续流二极
管”并不是一个实质的元件,它只不过在电路中起到的作用称做“续流”。
5.快恢复二极管:
快恢复二极管是指反向恢复时间很短的二极管(5us以下),工艺上多采用掺金措施,结构上有采用PN结型结构,有的采用改进的PIN结构。其正向压降高于普通二极管(1-2V),反向耐压多在1200V以下。从性能上可分为快恢复和超快恢复两个等级。前者反向恢复时间为数百纳秒或更长,后者则在100纳秒以下。
这两种管子通常用于开关电源。
6.肖特基二极管和快恢复二极管区别:
前者的恢复时间比后者小一百倍左右,前者的反向恢复时间大约为几纳秒~! 前者的优点还有低功耗,大电流,超高速~!电气特性当然都是二极管阿~!快恢复二极管在制造工艺上采用掺金,单纯的扩散等工艺,可获得较高的开关速度,同时也能得到较高的耐压.目前快恢复二极管主要应用在逆变电源中做整流元件。
7.整流二极管
全桥整流

二,电阻
1.如何读贴片电阻阻值:
数字直标:全为数字
(1)3位数 前2位为有效数字,第3位是倍乘。
例如:100,10为有效数字,0为倍乘,就是10的0次方也就是1,贴片电阻阻值:
100=10 x100=10Ω。
2)4位数,前3位为有效数字,第4位为倍乘。
例如:1002,100为有效数字,2为倍乘,也就是10的2次方就是100。
1002=100X100=10KΩ。
数字和字母R直标
(1)3位数 数字+R+数字,第1,3位为有效数字,R为小数点。
例如:4R7 47为有效数字,R为小数点,4R7=4.7Ω。
(2)4位数
数字+数字+R+数字 或 数字+R+数字+数字
例如:10R2=10.2Ω
例如:1R02=1.02Ω
2.0欧姆电阻作用:
一、跨接电阻,当PCB板的一个面需要接两条交叉的线时,用该电阻跨接。
比如:在下图两焊盘之间用0欧姆连接即可。(很多单层板使用到这个技巧,提升画板走线的灵活性)
二、给电路留下测量接口,方便测量电流(主要)、电压。
例如:把 0 欧姆拆下后,串入电流表即可测出通过这条线的电流。
三、连接不同的地线。
隔离数字地和模拟地,减少数字地对模拟地的干扰(磁珠也能实现)。
如图:
四、用作保护电路,
将该电阻串入某一电路,我们若希望电流过大时保护,则选择合适功率的电阻,这样当电流达到我们想要避免的大电流时,先烧坏电阻(比较方便更换,关键是便宜),从而保护其他更重要的电路(当然,选用保险丝更好,尤其是那种自恢复的)。
五、充当电路开关。
当电路有类似开关的选择时,若不想用跳线帽之类的(害怕他人误操作),可用零值电阻代替,这样也易于更换。
如图, boot 可用 0 欧姆替代。
六、隔离模块
当电路板的模块较多时,用0欧姆隔离,方便检测各个模块可能出现的问题
3.限流电阻使用



4.上拉电阻 下拉电阻
概述:
上拉电阻:将一个不确定的信号(高或低电平),通过一个电阻与电源VCC相连,固定在高电平。
下拉电阻:将一个不确定的信号(高或低电平),通过一个电阻与地GND相连,固定在低电平。
上、下拉电阻的作用:
一般说法是上拉增大电流,下拉电阻是用来吸收电流。

1.将不确定的信号上拉为高电平 或者下拉为低电平(高阻态io口 cmos 上电需要保持状态的电路 )如果拉电阻用于输入信号引脚,通常的作用是将信号线强制箝位至某个电平,以防止信号线因悬空而出现不确定的状态,继而导致系统出现不期望的状态
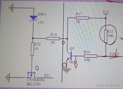
fzkz引脚“悬空”电平不确定 此时Ir21 电流很小 使得fzkz处的电位被拉为 12-Ir21*R21约等于12v可以理解为电位被上拉了

2.曾强驱动能力

3.长线传输中电阻不匹配容易引起反射波干扰,加上、下拉电阻是电阻匹配,有效的抑制 反射波干扰
4.oc集电极开路/od漏极开路
加了上拉电阻或下拉电阻才能正常工作




这篇关于分立器件笔记(二极管,三极管,电阻电容电感)的文章就介绍到这儿,希望我们推荐的文章对编程师们有所帮助!