本文主要是介绍SC7A20 三轴微机械数字加速度计,希望对大家解决编程问题提供一定的参考价值,需要的开发者们随着小编来一起学习吧!
SC7A20 ±2G/±4G/±8G/±16G三轴微机械数字加速度计
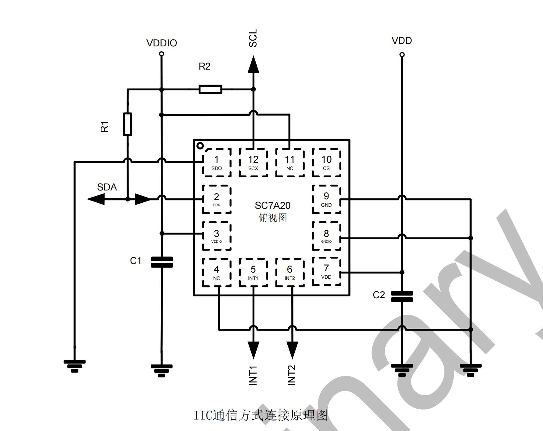
一直没找到简单好用的SC7A20驱动库,索性自己写了一个,采用IIC接口读取数据,需要注意网上查到的芯片地址都不对,应该是0x18,可以看我下面用逻辑分板仪抓取到的数据据包,只有0X18才反回ACK.

另一点是芯片输出是2进制补码形式,负数需要转换成原码.
软件 IDE
PlatformIO
硬件连接

EPS23主控
IIC SDA-----21
IIC SCK-----22
测试数据
量程±2g,12bit精度,无外力仅重力时1g=1023个测量值,1=1mg

#ifndef _SC7A20_H
#define _SC7A20_H
#include "Wire.h"
#include "Arduino.h"#define SC7A20_I2C_ADDR 0x18//Reg Table
#define WHO_AM_I_REG 0x0F#define CTRL_REG1 0x20
#define CTRL_REG2 0x21
#define CTRL_REG3 0x22
#define ADDR_STATUS_REG 0x27
#define OUT_X_L_REG 0x28
#define OUT_X_H_REG 0x29
#define OUT_Y_L_REG 0x2A
#define OUT_Y_H_REG 0x2B
#define OUT_Z_L_REG 0x2C
#define OUT_Z_H_REG 0x2D// For CHIP_ID_REG
#define CHIP_ID 0x11class SC7A20_Class
{
public:int accel_X;int accel_Y;int accel_Z;bool begin( uint8_t address=SC7A20_I2C_ADDR, TwoWire &wirePort=Wire);void measure(void);private:uint8_t _address;TwoWire *_i2cPort;void IIC_Write_Byte(uint8_t reg,uint8_t data);void IIC_Read_Byte(uint8_t reg,uint8_t* buf,int lenght);bool IsExist();int16_t _12bitComplement(uint8_t msb,uint8_t lsb);
};
#endif
#include "SC7A20.h"bool SC7A20_Class::begin( uint8_t address, TwoWire &wirePort)
{_address = address;_i2cPort = &wirePort;_i2cPort->begin();if(!IsExist())return false;IIC_Write_Byte(CTRL_REG1,0x27); //正常模式 10HZreturn true;
}void SC7A20_Class::IIC_Write_Byte(uint8_t reg,uint8_t data)
{_i2cPort->beginTransmission(_address);_i2cPort->write(reg);_i2cPort->write(data);_i2cPort->endTransmission();
}void SC7A20_Class::IIC_Read_Byte(uint8_t reg,uint8_t* buf,int lenght)
{uint8_t i=0;_i2cPort->beginTransmission(_address);reg |= 0x80; //turn auto-increment bit on_i2cPort->write(reg);_i2cPort->endTransmission(false);_i2cPort->requestFrom(_address, lenght);while (_i2cPort->available() && i<lenght){*buf= _i2cPort->read();buf++;i++;}
}bool SC7A20_Class::IsExist()
{uint8_t config; IIC_Read_Byte(WHO_AM_I_REG,&config,1);if (config == CHIP_ID) return true;else return false;
}
int16_t SC7A20_Class::_12bitComplement(uint8_t msb,uint8_t lsb)
{int16_t temp;temp=msb<<8|lsb;temp=temp>>4; //只有高12位有效temp=temp & 0x0fff;if(temp&0x0800) //负数 补码==>原码{temp=temp&0x07ff; //屏弊最高位 temp=~temp;temp=temp+1;temp=temp&0x07ff;temp=-temp; //还原最高位} return temp;
}void SC7A20_Class::measure(void)
{uint8_t buff[6];IIC_Read_Byte(0x28,buff,6);accel_X=_12bitComplement(buff[1],buff[0]); accel_Y=_12bitComplement(buff[3],buff[2]); accel_Z=_12bitComplement(buff[5],buff[4]);
}
#include <Arduino.h>
#include "SC7A20.h"SC7A20_Class SC7A20;void setup()
{Serial.begin(9600);if(!SC7A20.begin()){ while (1);}
}void loop()
{ SC7A20.measure();Serial.printf("X:%d Y:%d Z:%d\r\n",SC7A20.accel_X,SC7A20.accel_Y,SC7A20.accel_Z);delay(1000);
}
这篇关于SC7A20 三轴微机械数字加速度计的文章就介绍到这儿,希望我们推荐的文章对编程师们有所帮助!