本文主要是介绍HSMC接口简介(上)_HSMC接口用途_HSMC接口外观图_三视图_HSMC接口电压_HSMC接口电气特性_HSMC接口走线长度规则,希望对大家解决编程问题提供一定的参考价值,需要的开发者们随着小编来一起学习吧!

做设计时需要获取HSMC的具体接口定义,CSDN等网站暂时没有结果,作者在Altera官网(现为Intel FPGA官网)搜索HSMC,获取了HSMC_spec(ification).pdf,现分享我之所得:
pdf下载地址:https://www.intel.com/content/dam/www/programmable/us/en/pdfs/literature/ds/hsmc_spec.pdf?wapkw=HSMC
简介
Altera高速中间卡(HSMC)规范定义了基于FPGA的主板的接口的电气和机械属性。
各大厂商按照此规范设计FPGA接口都叫HSMC接口,调用标准FPGA库生成的HSMC接口也就肯定符合此spec,再换言之,画HSMC板子,照着这个spec画就行了。
用途
用于FPGA接出来此接口,转为其他接口,驱动其他设备,尽管该HSMC规范针对当前和新兴的高速串行互连标准(如PCI Express、千兆以太网、AMC、SPI4.2等)进行了优化,但它并未定义具体的互连用法。也就是说可以应用于以上几种接口的转接,也可以用作别处。
接口应有的电压
12V或3.3V。
外观图

可见HSMC接口也有公母头,公头是左边这个,被叫做中间板卡连接器,也就是用在从设备上的,右侧的是母头,叫主机板连接器,安装在FPGA端,也就是主控板端(也许有的朋友就要问了,为啥母头都在主板上呢?我觉得一般转接板比较小甩出来一个公头更好保存,如果公头在主板上可能会被刮坏露在外面的铜线,另外手边的转接板都是公头,肯定有它的道理。)
这种接口可以有很多形式,比如USB的A型和B型,micro、mini或Type-C,,HSMC每个类型也有自己的编号,如上图左为ASP-122952-01,上图右ASP-122953-01。
机械特性(Mechanical Features)
通俗来讲,就是物理上的尺寸啦,线间距,长短,排列之类:
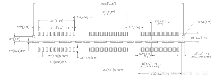
ASP-122952-01的机械特性:(俯视,正视,侧视)以及PCB电路图。




REF:英寸,方括号内是厘米

同样,母头也有俯视图,正视图,侧视图和PCB图:




电气特性
HSMC信号也是高电平为1,低电平为0,差分信号的positive和negative端单独标出。
HSMC需要遵循LVTTL/LVDS/PCML三种标准之一或者兼容(也就是声称自己是HSMC的必须遵守以上三标准之一或兼容),三种标准电压范围如下:



走布线时,应采用50Ω单端走线,对于LVDS或者CMOS信号,走线与参考平面距离应小于走线彼此距离,即松散耦合。
走线长度对于不同的信号类型和板类型各有不同(主板Host要求严格,转接板或叫中间板因要求不同而区别),下图为不同板型与不同信号规范对应的长度:

HSMC的干扰耐受度是10%,也就是说对于3.3V的CMOS信号,摆幅应小于330mV,对于2.5V的CMOS,应小于250mV。
对于不同的线距,在串扰的限制下,可布线的长度也不同,以下是间距与线长对应关系表:

HSMC线的宽度和定义都不同,分为信号线和供电线,供电线部分可承受12V电压,部分3.3V,HSMC172个引脚电压定义如下表所示:




这篇关于HSMC接口简介(上)_HSMC接口用途_HSMC接口外观图_三视图_HSMC接口电压_HSMC接口电气特性_HSMC接口走线长度规则的文章就介绍到这儿,希望我们推荐的文章对编程师们有所帮助!