本文主要是介绍AI图像应用—换装(持续更新),希望对大家解决编程问题提供一定的参考价值,需要的开发者们随着小编来一起学习吧!
AI换装做到通用,是一个即好玩又有挑战性的东西,尝试做一个玩玩,顺便也作为下一个教程案例
一、人体分割
从图像中剥离出人穿的衣服的mask。这儿的难点在于,我需要做的是通用场景,不是比赛场景。在比赛场景中,使用的数据图是背景单一的,但是在实际场景中,背景是花里胡哨的。所有,将人体轮廓、衣服mask准确分离出来是第一关键
场景设定:单人照【先从简单的入手,后面再慢慢扩大场景】
目标:准确分割出图像中的人体轮廓,消除毛刺、空洞
准备:
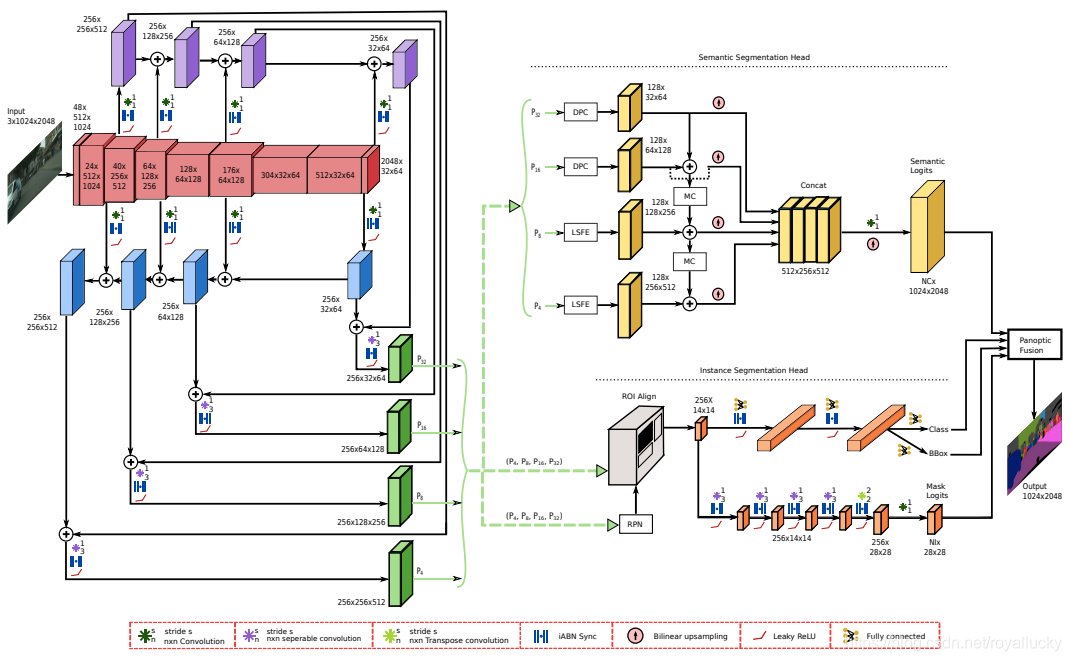
网络架构:EfficientPS【常规的一些分割框架也行,此处只是单纯的好奇,想试试这个目前排名第一的高效高精度全景分割算法的效果。虽然有点大材小用的意思,不过管他的呢,效果好就行】

EfficientPS架构图:

EfficientPS介绍及源码
注意:貌似Windows系统暂时无法配置,而且要在gpu上运行
使用模型分割出前景、后景,并分割出人体各肢体部位、衣服的mask
至此,人体分割这一步准备工作完成
二、制作目标衣物的mask
由于目标衣物选用的是从各网店下载的参考图,所以图片很规范,通过opencv-python使用传统图像算法即可提取出mask
实际使用场景目前只考虑这种使用店家展示图的情况,暂时不制作自拍的衣物替换,比较麻烦
……持续更新
这篇关于AI图像应用—换装(持续更新)的文章就介绍到这儿,希望我们推荐的文章对编程师们有所帮助!