本文主要是介绍Skyworks SKY85743-21的Wi-Fi 6 (802.11ax)标准 5.8G 高功率WLAN前端模块解决方案,希望对大家解决编程问题提供一定的参考价值,需要的开发者们随着小编来一起学习吧!
SKY85743-21是高度集成的5 GHz前端模块(FEM)包含5 GHz单刀双掷(SPDT)发射/接收(T / R)开关,5 GHz高增益低噪声带旁路的放大器(LNA)和5 GHz功率放大器(PA)适用于大功率802.11ax应用程序和系统。LNA和PA禁用功能可确保低漏电流关闭模式。 集成的对数功率检测器是包括以提供超过20 dB的闭环功率控制动态范围。
该设备采用紧凑的24pin3 x 5 mm封装,保形的屏蔽栅格阵列(LGA)封装,将前端板空间减少50%以上。
图1.引脚配置和封装如图所示

图2.信号引脚分配和功能引脚描述

图3.内部框架描述

图4.工作电源条件

图5.电气规格参数(VCC0 = VCC1 = VCC2 = VCC3 = VDD = 5.0 V, TOP = 25 °C, Unless Otherwise Noted)

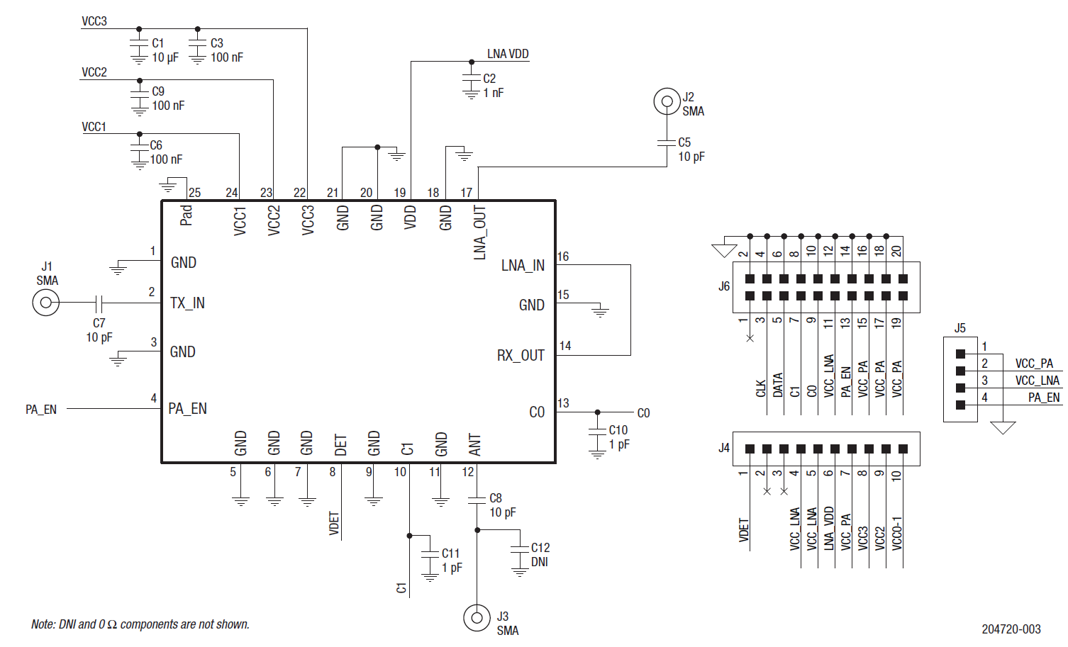
图6.应用原理图

图5.逻辑真值表

图6.PCB封装尺寸

这篇关于Skyworks SKY85743-21的Wi-Fi 6 (802.11ax)标准 5.8G 高功率WLAN前端模块解决方案的文章就介绍到这儿,希望我们推荐的文章对编程师们有所帮助!