本文主要是介绍一种适用于增强型MOS管或NPN型晶体管的恒流电路,希望对大家解决编程问题提供一定的参考价值,需要的开发者们随着小编来一起学习吧!
电路如下:

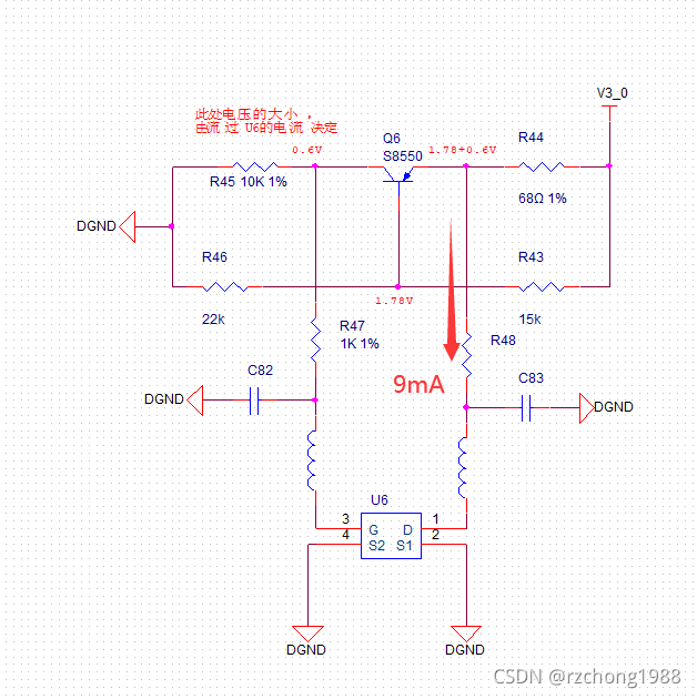
该恒流电路主要由Q6,R44,R45,R43,R46决定, 其他元件仅为实际使用的示意图。
电路分析如下:
1)由于R43,R46分压了一个确定电压1.78V,接到Q6 PNP管的基极;
2)由于基极电压确定,则Q6的射极电压也确定了,一般晶体管为基极电压+0.6V~0.8V之间;为方便说明,把这个电压算为0.6V;则射极电压为1.78+0.6V = 2.38V;
3)则流过R44的电流为(3V-2.38V)/ 68Ω = 9mA;
4)由于R45取值较大,所以9mA的绝大部分电流都只会流到U6上;
5)U6的G极电压,会自动控制到U6的D极为9mA的状态时对应的电压;
这篇关于一种适用于增强型MOS管或NPN型晶体管的恒流电路的文章就介绍到这儿,希望我们推荐的文章对编程师们有所帮助!