本文主要是介绍电路图,希望对大家解决编程问题提供一定的参考价值,需要的开发者们随着小编来一起学习吧!
1.电摩的控制器

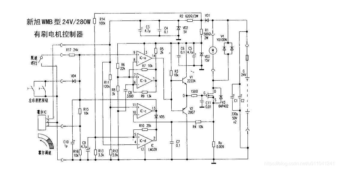
ic- b 是锯齿波,ic-a 是调制波和载波比较产生PWM,ic-c 是电流检测限速。ic-d 应该是电压检测,当电池电压低于一定值,封锁输出(可R14的阻值计算不能匹配)。
2.自锁电路,高电平自锁

自锁电路,低电平自锁

3.泄放电阻的作用

4.延时开关机电路

5.三极管温度特性的巧用

6.漏电保护,

这篇关于电路图的文章就介绍到这儿,希望我们推荐的文章对编程师们有所帮助!